
1.25G 2X5 SFF Transceiver Module
Product Description
F-tone Networks’s FTAF-xx12-xxxx series of transceiver modules are the perfect solution for high -speed communication networks.These transceiver modules support data rates up to 1.5Gbps. The module is fully compliant with the 2X5 standard package defined by the Small Form Factor Multi-Sourcing Agreement(MSA).These transceiver modules provide the system designer withTelecom, Datacom, and other Fibre Channel applications.
Product Features
¡ñ VCSEL/FP/DFB Laser Diode Transmitter
¡ñ Up to 0.55Km on 62.5/125μm MMF £¬Up to 100Km on 9/125μm SMF
¡ñ 3.3Vpower supply
¡ñ LC duplex optical interface
¡ñ LVPECL or CML Differential Input £¬CML Output and LVTTL signal detect
¡ñ Class 1 Laser International Safety Standard IEC 825 Compliant
¡ñ Operating case temperature range (Standard£º0 to+70¡æ) or (Industrial£º -40¡æ to +85¡æ)
Application
¡ñ Fiber Channel Switch Infrastructure
¡ñ Gigabit Ethernet Switches and Routers
¡ñ Other optic links
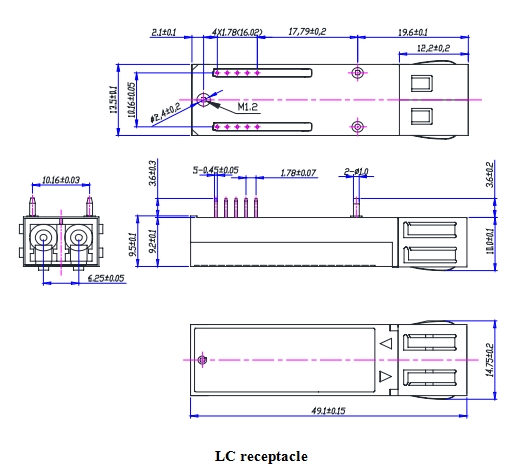
Module Outline Drawing
Order Information
|
Type |
Fiber Type |
Wavelength(nm) |
Fiber Length(Km) |
|
FTAF-8512-02xx |
MM |
850(VESEL) |
0.5 |
|
FTAF-M1312-02xx |
MM |
1310(FP) |
0.55 |
|
FTAF-1312-20xx |
SM |
1310(FP) |
20 |
|
FTAF-1312-40xx |
SM |
1310(DFB) |
40 |
|
FTAF-1312-60xx |
SM |
1310(DFB) |
60 |
|
FTAF-1512-20xx |
SM |
1550(DFB) |
20 |
|
FTAF-1512-40xx |
SM |
1550(DFB) |
40 |
|
FTAF-1512-60xx |
SM |
1550(DFB) |
60 |
|
FTAF-1512-80xx |
SM |
1550(DFB) |
80 |
|
FTAF-1512-H0xx |
SM |
1550(DFB) |
100 |
×¢£º±¾²úÆ·ÓÐÌìϲú»¯ÐͺſÉÑ¡
±¾²úƷΪFTAFϵÁУ¬½öչʾ²¿·Ö²ÎÊý£¬ÈôÓÐÐèÒª£¬ÇëÁªÏµ大宝娱乐¡£
Important Notice
Performance figures, data and any illustrative material provided in this data sheet are typical and must be specifically confirmed in writing by F-tone Networks before they become applicable to any particular order or contract. In accordance with the F-tone Networks policy of continuous improvement specifications may change without notice.
The publication of information in this data sheet does not imply freedom from patent or other protective rights of F-tone Networks or others. Further details are available from any F-tone Networks sales representative.