
1.25Gbps MiniSFF LC Transceiver (10Km)
FEATURES
¡ñ Surface mount I/O pins for high speed signal integrity
¡ñ All metal body, screw mount
¡ñ Industrial Temp range, vibration tolerant design
¡ñ 2-Fiber MiniSFF LC Transceiver
¡ñ 1310 FP transmitter,PIN photo-detector Receiver
¡ñ Distance up to 10 km
¡ñ Single 3.3V Power Supply
¡ñ Operating case temperature:
FTMF-1312-10 : 0¡æ~+70¡æ
FTMF-1312-10I : -40¡æ~+85¡æ
APPLICATIONS
¡ñ SONET/SDH Equipment Interconnect
¡ñ Fiber Channel Links
Outline Specification
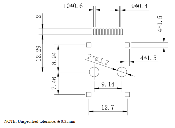
Recommended PCB Layout
Ordering Information
|
P/No. |
Package |
Bit Rate (Gb/s) |
Dist. (km) |
Wavelength (nm) |
TX Power (dBm) |
RX Sens (dBm) |
Volt. (V) |
Temp. (¡æ) |
|
FTMF-1312-10 |
LC |
1.25 |
10 |
1310 |
-9 to 0 |
-23 |
3.3 |
0 ~70 |
|
FTMF-1312-10I |
LC |
1.25 |
10 |
1310 |
-9 to 0 |
-23 |
3.3 |
-40 ~85 |
×¢£º±¾²úÆ·ÓÐÌìϲú»¯ÐͺſÉÑ¡
±¾²úƷΪFTMFϵÁУ¬½öչʾ²¿·Ö²ÎÊý£¬ÈôÓÐÐèÒª£¬ÇëÁªÏµ大宝娱乐¡£
Important Notice
Performance figures, data and any illustrative material provided in this data sheet are typical and must be specifically confirmed in writing by F-tone Networks before they become applicable to any particular order or contract. In accordance with the F-tone Networks policy of continuous improvement specifications may change without notice.
The publication of information in this data sheet does not imply freedom from patent or other protective rights of F-tone Networks or others. Further details are available from any F-tone Networks sales representative.