
1 x 9 0~10Mbps MM Receiver Module
Product Description
F-tone’s FLRX-M1300-02X series of receiver modules are the perfect solution for Low-speed communication networks.The receiver modules support data rates up to 10Mbps. These modules are fully compliant with the Multi-sourced 1x9 protocol.The receiver modules supplies the 5 Voltage and provides the system designer with products to implement a range of low-speed data and fiber MODEM designs at the 0 to 10Mbps rate for fiber communications.
Product Features
¡ñ Multi-sourced 1 x 9 pin packaged
¡ñ MM1310 Receiver
¡ñ SC/FC/ST single receptacle
¡ñ Up to 2Km with 62.5/125μm MMF
¡ñ Single 5V power supply
¡ñ TTL or LVTTL signal input
¡ñ TTL or LVTTL logic level signal detect output
¡ñ Wave Solderable and washable with process plug inserted
¡ñ Operating Case Temperature range (-40¡æ to +85¡æ)
¡ñ Two temperature ranges:
¡ñ — 0°C to +70°C
¡ñ — -40°C to +85°C for industry level
¡ñ ESD Level: 4
¡ñ Compatible with ROSH6
¡ñ MSL Level: 1
Application
¡ñ RS232/RS485/RS422 receptacle fiber transmission
¡ñ Fiber System
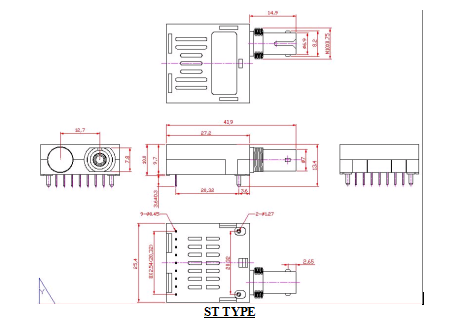
Module Outline Drawing

Ordering information
|
Part Number |
Product Description |
|
FLRX-M1300H-02 |
1x9-RX-MM1310-0~10M-2KM-5V-SC; 0ºC~+70ºC |
|
FLRX-M1300H-02I |
1x9-RX-MM1310-0~10M-2KM-5V-SC;-40 to +85°C |
|
FLRX-M1300H-02F |
1x9-RX-MM1310-0~10M-2KM-5V-FC; 0ºC~+70ºC |
|
FLRX-M1300H-02FI |
1x9-RX-MM1310-0~10M-2KM-5V-FC;-40 to +85°C |
|
FLRX-M1300H-02T |
1x9-RX-MM1310-0~10M-2KM-5V-ST; 0ºC~+70ºC |
|
FLRX-M1300H-02TI FLRX-1310H-02TI |
1x9-RX-MM1310-0~10M-2KM-5V-ST;-40 to +85°C |
×¢£º±¾²úÆ·ÓÐÌìϲú»¯ÐͺſÉÑ¡
±¾²úƷΪ¹âÄ£¿é1x9ϵÁУ¬½öչʾ²¿·Ö²ÎÊý£¬ÈôÓÐÐèÒª£¬ÇëÁªÏµ大宝娱乐¡£
Important Notice
Performance figures, data and any illustrative material provided in this data sheet are typical and must be specifically confirmed in writing by F-tone Networks before they become applicable to any particular order or contract. In accordance with the F-tone Networks policy of continuous improvement specifications may change without notice.
The publication of information in this data sheet does not imply freedom from patent or other protective rights of F-tone Networks or others. Further details are available from any F-tone Networks sales representative.