
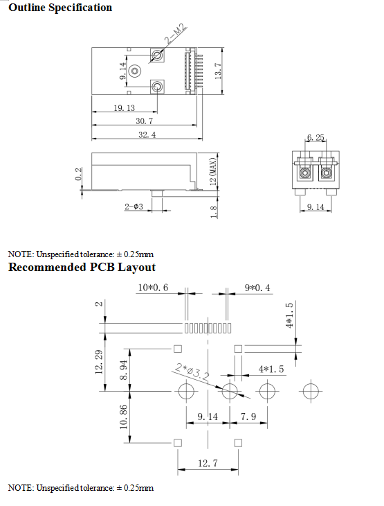
10Gbps MiniSFF LC Transceiver
FEATURES
¡ñ Surface mount I/O pins for high speed signal integrity
¡ñ All metal body, solder or screw mount options
¡ñ Industrial Temp range, vibration tolerant design
¡ñ 850 nm VCSEL Laser,PIN photo-detector Receiver
¡ñ 2-Fiber MiniSFF LC Transceiver
¡ñ Distance up to 300 m
¡ñ Single 3.3V Power Supply
¡ñ -55 to 70¡æ Operating Temperature
APPLICATIONS
¡ñ 10GBASE-LR/LW 10G Ethernet


Ordering Information
|
P/No. |
Package |
Bit Rate (Gb/s) |
Dist. (m) |
TX Wavelength (nm) |
RX Wavelength (nm) |
TX Power (dBm) |
RX Sens (dBm) |
Volt. (V) |
Temp. (¡æ) |
|
FT-95-RS-851X-DZ21081303 |
LC |
10 |
300 |
850 |
1100~1620 |
-4 to 0 |
-15 |
3.3 |
-55~70 |
±¾²úƷΪFT-95-ϵÁУ¬½öչʾ²¿·Ö²ÎÊý£¬ÈôÓÐÐèÒª£¬ÇëÁªÏµ大宝娱乐¡£
Important Notice
Performance figures, data and any illustrative material provided in this data sheet are typical and must be specifically confirmed in writing by F-tone Networks before they become applicable to any particular order or contract. In accordance with the F-tone Networks policy of continuous improvement specifications may change without notice.
The publication of information in this data sheet does not imply freedom from patent or other protective rights of F-tone Networks or others. Further details are available from any F-tone Networks sales representative.