
²úÆ·ÐÎò
°ëµ¼Ìå¹â·Å´óÆ÷(SOA)ϵÁвúÆ·£¬Ö÷ÒªÓ¦ÓÃÓÚ 40G/100G 1310nm (4²¨LWDM/CWDM)¹â·Å´ó£¬ÄÜÏÔÖøÌá¸ßÊä³ö¹â¹¦ÂÊ¡£¸ÃϵÁвúÆ·»ùÓÚÇ廪´óѧ¹âµç¼¯³É΢ϵͳÑо¿ËùµÄ±ê×¼·âװƽ̨£¬½ÓÄÉÃÜ·âµÄÎÞ»ú·â×°ÊÖÒÕ£¬°ü¹ÜÁ˲úÆ·µÄ¿É¿¿ÐÔ¡£
²úÆ·ÌØµã
¡ñ ×ÔÓÐ SOA оƬ£¬¹ú²ú×ÔÖ÷¿É¿Ø
¡ñ µÍ¹¦ºÄ£¬µä·¶Çý¶¯µçÁ÷ 120mA
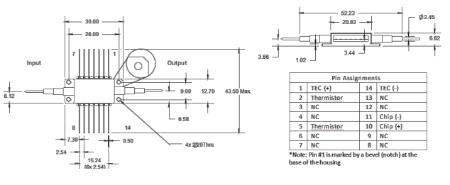
¡ñ Ìṩ MSA ¼æÈÝµÄ 14PIN ±ê×¼µûÐηâ×°
¡ñ Ö§³Öζȼà²âºÍ TEC ÈÈµç¿ØÖÆ£¬È·±£È«Î¶ÈÊÂÇ鹿ģÎȹÌÔËÐÐ
¡ñ ¶¨ÖÆ»¯Ð§ÀÍ£ºÓÅ»¯²ÎÊý¡¢¼¯³É PD ¹â¹¦ÂÊ¼à¿Ø
²úÆ·Ó¦ÓÃ
¡ñ Êý¾ÝÖÐÐÄ»¥Áª£¬¸ßËÙÓªÒµÐźŷŴó
¡ñ »ã¾Û·ÖÁ÷£¬¸ßËÙÓªÒµÐźŷŴó
²úÆ·¹æ¸ñ
|
²ÎÊý |
·ûºÅ |
ÊÂÇéÌõ¼þ |
×îСֵ |
µä·¶Öµ |
×î´óÖµ |
µ¥Î» |
|
ÊÂÇ鲨³¤ |
λ |
--- |
1260 |
1310 |
1340 |
nm |
|
¿í´ø |
¡÷λ |
@-3dB |
--- |
45 |
--- |
nm |
|
ÔöÒæ |
G |
--- |
13 |
--- |
20 |
dB |
|
±¥ºÍ¹¦ÂÊ |
Psat |
If=120mA |
10 |
--- |
--- |
dBm |
|
ÊÂÇéµçÁ÷ |
If |
--- |
--- |
120 |
300 |
mA |
|
ÕýÏòµçѹ |
Vf |
--- |
--- |
--- |
1.8 |
V |
|
TECµçÁ÷ |
ITEC |
--- |
--- |
--- |
1.8 |
A |
½á¹¹³ß´çºÍ¹Ü½Å½ç˵
×¢£º±¾²úÆ·ÓÐÌìϲú»¯ÐͺſÉÑ¡
±¾²úƷΪFT-45ϵÁУ¬ÈôÓÐÐèÒª£¬ÇëÁªÏµ大宝娱乐¡£
Important Notice
Performance figures, data and any illustrative material provided in this data sheet are typical and must be specifically confirmed in writing by F-tone Networks before they become applicable to any particular order or contract. In accordance with the F-tone Networks policy of continuous improvement specifications may change without notice.
The publication of information in this data sheet does not imply freedom from patent or other protective rights of F-tone Networks or others. Further details are available from any F-tone Networks sales representative.