
155Mbps 1x9 MM Transceiver Module
Product Description
F-tone’s FTTR-M1X03-02XX/FTTR-8503-02XX series of transceiver modules are the perfect solution for high-speed communication networks.The transceiver modules support data rates up to 155Mbps. These modules are fully compliant with the Multi-sourced 1x9 protocol.
The transceiver module supplies the Differential PECL of 3.3V, 5V, 3.3V/5.0V Voltage and provides the system designer with products to implement a range of FDDI and ATM designs at the 155Mbps rate and SONET/OC-3, SDH/STM-1 for Telecommunication.Commerce level transceiver module which operating at 0¡æ to 70¡æ and Industry level which operating extended temperature as -40¡æ to +85¡æ for available.
Product Features
¡ñ Multi-sourced 1 x 9 pin packaged
¡ñ 1310nm FP, 1550nm FP or 850nm VCSEL Laser Transmitter
¡ñ SC /FC/ST single receptacle or Pigtail SC/PC, ST/PC, FC/PC optional
¡ñ Up to 5Km with 62.5/125μm MMF
¡ñ Single 3.3V, 5V, 3.3V/5.0V power supply
¡ñ PECL signal input and output
¡ñ Wave solderable and washable with process plug inserted
¡ñ Two temperature ranges:
— 0°C to +70°C
— -40°C to +85°C for industry level
Application
¡ñ ATM equipments
¡ñ SONET/OC-3¡¢SDH/STM-1 equipments
¡ñ 100Mbps Fast Ethernet equipments
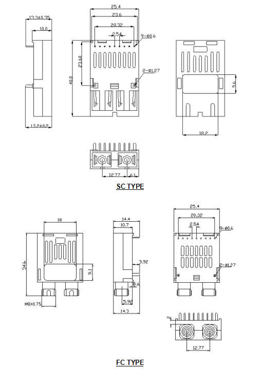
Module Outline Drawing


Ordering information
|
PN |
Description |
|
FTTR-M1303-02 |
1x9-MM1310-155M-3.3V-( Data Level:LVPECL) -( SD Level:LVPECL)-5KM-SC-ÉÌÒµ¼¶(0~70°C) |
|
FTTR-M1303-02F |
1x9-MM1310-155M-3.3V-( Data Level:LVPECL) -( SD Level:LVPECL)-5KM-FC-ÉÌÒµ¼¶(0~70°C) |
|
FTTR-M1303-02T |
1x9-MM1310-155M-3.3V-( Data Level:LVPECL) -( SD Level:LVPECL)-5KM-ST-ÉÌÒµ¼¶(0~70°C) |
|
FTTR-M1303-02I |
1x9-MM1310-155M-3.3V-( Data Level:LVPECL) -( SD Level:LVPECL)-5KM-SC-¹¤Òµ¼¶(-40~85°C) |
|
FTTR-M1303-02FI |
1x9-MM1310-155M-3.3V-( Data Level:LVPECL) -( SD Level:LVPECL)-5KM-FC-¹¤Òµ¼¶(-40~85°C) |
|
FTTR-M1303-02TI |
1x9-MM1310-155M-3.3V-( Data Level:LVPECL) -( SD Level:LVPECL)-5KM-ST-¹¤Òµ¼¶(-40~85°C) |
|
FTTR-M1303H-02 |
1x9-MM1310-155M-5V-( Data Level:PECL) -( SD Level:PECL)-5KM-SC-ÉÌÒµ¼¶(0~70°C) |
|
FTTR-M1303H-02F |
1x9-MM1310-155M-5V-( Data Level:PECL) -( SD Level:PECL)-5KM-FC-ÉÌÒµ¼¶(0~70°C) |
|
FTTR-M1303H-02T |
1x9-MM1310-155M-5V-( Data Level:PECL) -( SD Level:PECL)-5KM-ST-ÉÌÒµ¼¶(0~70°C) |
|
FTTR-M1303H-02I |
1x9-MM1310-155M-5V-( Data Level:PECL) -( SD Level:PECL)-5KM-SC-¹¤Òµ¼¶(-40~85°C) |
|
FTTR-M1303H-02FI |
1x9-MM1310-155M-5V-( Data Level:PECL) -( SD Level:PECL)-5KM-FC-¹¤Òµ¼¶(-40~85°C) |
|
FTTR-M1303H-02TI |
1x9-MM1310-155M-5V-( Data Level:PECL) -( SD Level:PECL)-5KM-ST-¹¤Òµ¼¶(-40~85°C) |
|
FTTR-M1303T-02 |
1x9-MM1310-155M-3.3V-( Data Level:LVPECL) -( SD Level:LVTTL)-5KM-SC-ÉÌÒµ¼¶(0~70°C) |
|
FTTR-M1303T-02F |
1x9-MM1310-155M-3.3V-( Data Level:LVPECL) -( SD Level:LVTTL)-5KM-FC-ÉÌÒµ¼¶(0~70°C) |
|
FTTR-M1303T-02T |
1x9-MM1310-155M-3.3V-( Data Level:LVPECL) -( SD Level:LVTTL)-5KM-ST-ÉÌÒµ¼¶(0~70°C) |
|
FTTR-M1303T-02I |
1x9-MM1310-155M-3.3V-( Data Level:LVPECL) -( SD Level:LVTTL)-5KM-SC-¹¤Òµ¼¶(-40~85°C) |
|
FTTR-M1303T-02FI |
1x9-MM1310-155M-3.3V-( Data Level:LVPECL) -( SD Level:LVTTL)-5KM-FC-¹¤Òµ¼¶(-40~85°C) |
|
FTTR-M1303T-02TI |
1x9-MM1310-155M-3.3V-( Data Level:LVPECL) -( SD Level:LVTTL)-5KM-ST-¹¤Òµ¼¶(-40~85°C) |
|
FTTR-M1303HT-02 |
1x9-MM1310-155M-5V-( Data Level:PECL) -( SD Level:TTL)-5KM-SC-ÉÌÒµ¼¶(0~70°C) |
|
FTTR-M1303HT-02F |
1x9-MM1310-155M-5V-( Data Level:PECL) -( SD Level:TTL)-5KM-FC-ÉÌÒµ¼¶(0~70°C) |
|
FTTR-M1303HT-02T |
1x9-MM1310-155M-5V-( Data Level:PECL) -( SD Level:TTL)-5KM-ST-ÉÌÒµ¼¶(0~70°C) |
|
FTTR-M1303HT-02I |
1x9-MM1310-155M-5V-( Data Level:PECL) -( SD Level:TTL)-5KM-SC-¹¤Òµ¼¶(-40~85°C) |
|
FTTR-M1303HT-02FI |
1x9-MM1310-155M-5V-( Data Level:PECL) -( SD Level:TTL)-5KM-FC-¹¤Òµ¼¶(-40~85°C) |
|
FTTR-M1303HT-02TI |
1x9-MM1310-155M-5V-( Data Level:PECL) -( SD Level:TTL)-5KM-ST-¹¤Òµ¼¶(-40~85°C) |
|
|
|
|
FTTR-M1503-02 |
1x9-MM1550-155M-3.3V-( Data Level:LVPECL) -( SD Level:LVPECL)-5KM-SC-ÉÌÒµ¼¶(0~70°C) |
|
FTTR-M1503-02F |
1x9-MM1550-155M-3.3V-( Data Level:LVPECL) -( SD Level:LVPECL)-5KM-FC-ÉÌÒµ¼¶(0~70°C) |
|
FTTR-M1503-02T |
1x9-MM1550-155M-3.3V-( Data Level:LVPECL) -( SD Level:LVPECL)-5KM-ST-ÉÌÒµ¼¶(0~70°C) |
|
FTTR-M1503-02I |
1x9-MM1550-155M-3.3V-( Data Level:LVPECL) -( SD Level:LVPECL)-5KM-SC-¹¤Òµ¼¶(-40~85°C) |
|
FTTR-M1503-02FI |
1x9-MM1550-155M-3.3V-( Data Level:LVPECL) -( SD Level:LVPECL)-5KM-FC-¹¤Òµ¼¶(-40~85°C) |
|
FTTR-M1503-02TI |
1x9-MM1550-155M-3.3V-( Data Level:LVPECL) -( SD Level:LVPECL)-5KM-ST-¹¤Òµ¼¶(-40~85°C) |
|
FTTR-M1503H-02 |
1x9-MM1550-155M-5V-( Data Level:PECL) -( SD Level:PECL)-5KM-SC-ÉÌÒµ¼¶(0~70°C) |
|
FTTR-M1503H-02F |
1x9-MM1550-155M-5V-( Data Level:PECL) -( SD Level:PECL)-5KM-FC-ÉÌÒµ¼¶(0~70°C) |
|
FTTR-M1503H-02T |
1x9-MM1550-155M-5V-( Data Level:PECL) -( SD Level:PECL)-5KM-ST-ÉÌÒµ¼¶(0~70°C) |
|
FTTR-M1503H-02I |
1x9-MM1550-155M-5V-( Data Level:PECL) -( SD Level:PECL)-5KM-SC-¹¤Òµ¼¶(-40~85°C) |
|
FTTR-M1503H-02FI |
1x9-MM1550-155M-5V-( Data Level:PECL) -( SD Level:PECL)-5KM-FC-¹¤Òµ¼¶(-40~85°C) |
|
FTTR-M1503H-02TI |
1x9-MM1550-155M-5V-( Data Level:PECL) -( SD Level:PECL)-5KM-ST-¹¤Òµ¼¶(-40~85°C) |
|
FTTR-M1503T-02 |
1x9-MM1550-155M-3.3V-( Data Level:LVPECL) -( SD Level:LVTTL)-5KM-SC-ÉÌÒµ¼¶(0~70°C) |
|
FTTR-M1503T-02F |
1x9-MM1550-155M-3.3V-( Data Level:LVPECL) -( SD Level:LVTTL)-5KM-FC-ÉÌÒµ¼¶(0~70°C) |
|
FTTR-M1503T-02T |
1x9-MM1550-155M-3.3V-( Data Level:LVPECL) -( SD Level:LVTTL)-5KM-ST-ÉÌÒµ¼¶(0~70°C) |
|
FTTR-M1503T-02I |
1x9-MM1550-155M-3.3V-( Data Level:LVPECL) -( SD Level:LVTTL)-5KM-SC-¹¤Òµ¼¶(-40~85°C) |
|
FTTR-M1503T-02FI |
1x9-MM1550-155M-3.3V-( Data Level:LVPECL) -( SD Level:LVTTL)-5KM-FC-¹¤Òµ¼¶(-40~85°C) |
|
FTTR-M1503T-02TI |
1x9-MM1550-155M-3.3V-( Data Level:LVPECL) -( SD Level:LVTTL)-5KM-ST-¹¤Òµ¼¶(-40~85°C) |
|
FTTR-M1503HT-02 |
1x9-MM1550-155M-5V-( Data Level:PECL) -( SD Level:TTL)-5KM-SC-ÉÌÒµ¼¶(0~70°C) |
|
FTTR-M1503HT-02F |
1x9-MM1550-155M-5V-( Data Level:PECL) -( SD Level:TTL)-5KM-FC-ÉÌÒµ¼¶(0~70°C) |
|
FTTR-M1503HT-02T |
1x9-MM1550-155M-5V-( Data Level:PECL) -( SD Level:TTL)-5KM-ST-ÉÌÒµ¼¶(0~70°C) |
|
FTTR-M1503HT-02I |
1x9-MM1550-155M-5V-( Data Level:PECL) -( SD Level:TTL)-5KM-SC-¹¤Òµ¼¶(-40~85°C) |
|
FTTR-M1503HT-02FI |
1x9-MM1550-155M-5V-( Data Level:PECL) -( SD Level:TTL)-5KM-FC-¹¤Òµ¼¶(-40~85°C) |
|
FTTR-M1503HT-02TI |
1x9-MM1550-155M-5V-( Data Level:PECL) -( SD Level:TTL)-5KM-ST-¹¤Òµ¼¶(-40~85°C) |
|
|
|
|
FTTR-8503-02 |
1x9-MM850-155M-3.3V-( Data Level:LVPECL) -( SD Level:LVPECL)-5KM-SC-ÉÌÒµ¼¶(0~70°C) |
|
FTTR-8503-02F |
1x9-MM850-155M-3.3V-( Data Level:LVPECL) -( SD Level:LVPECL)-5KM-FC-ÉÌÒµ¼¶(0~70°C) |
|
FTTR-8503-02T |
1x9-MM850-155M-3.3V-( Data Level:LVPECL) -( SD Level:LVPECL)-5KM-ST-ÉÌÒµ¼¶(0~70°C) |
|
FTTR-8503-02I |
1x9-MM850-155M-3.3V-( Data Level:LVPECL) -( SD Level:LVPECL)-5KM-SC-¹¤Òµ¼¶(-40~85°C) |
|
FTTR-8503-02FI |
1x9-MM850-155M-3.3V-( Data Level:LVPECL) -( SD Level:LVPECL)-5KM-FC-¹¤Òµ¼¶(-40~85°C) |
|
FTTR-8503-02TI |
1x9-MM850-155M-3.3V-( Data Level:LVPECL) -( SD Level:LVPECL)-5KM-ST-¹¤Òµ¼¶(-40~85°C) |
|
FTTR-8503H-02 |
1x9-MM850-155M-5V-( Data Level:PECL) -( SD Level:PECL)-5KM-SC-ÉÌÒµ¼¶(0~70°C) |
|
FTTR-8503H-02F |
1x9-MM850-155M-5V-( Data Level:PECL) -( SD Level:PECL)-5KM-FC-ÉÌÒµ¼¶(0~70°C) |
|
FTTR-8503H-02T |
1x9-MM850-155M-5V-( Data Level:PECL) -( SD Level:PECL)-5KM-ST-ÉÌÒµ¼¶(0~70°C) |
|
FTTR-8503H-02I |
1x9-MM850-155M-5V-( Data Level:PECL) -( SD Level:PECL)-5KM-SC-¹¤Òµ¼¶(-40~85°C) |
|
FTTR-8503H-02FI |
1x9-MM850-155M-5V-( Data Level:PECL) -( SD Level:PECL)-5KM-FC-¹¤Òµ¼¶(-40~85°C) |
|
FTTR-8503H-02TI |
1x9-MM850-155M-5V-( Data Level:PECL) -( SD Level:PECL)-5KM-ST-¹¤Òµ¼¶(-40~85°C) |
|
FTTR-8503T-02 |
1x9-MM850-155M-3.3V-( Data Level:LVPECL) -( SD Level:LVTTL)-5KM-SC-ÉÌÒµ¼¶(0~70°C) |
|
FTTR-8503T-02F |
1x9-MM850-155M-3.3V-( Data Level:LVPECL) -( SD Level:LVTTL)-5KM-FC-ÉÌÒµ¼¶(0~70°C) |
|
FTTR-8503T-02T |
1x9-MM850-155M-3.3V-( Data Level:LVPECL) -( SD Level:LVTTL)-5KM-ST-ÉÌÒµ¼¶(0~70°C) |
|
FTTR-8503T-02I |
1x9-MM850-155M-3.3V-( Data Level:LVPECL) -( SD Level:LVTTL)-5KM-SC-¹¤Òµ¼¶(-40~85°C) |
|
FTTR-8503T-02FI |
1x9-MM850-155M-3.3V-( Data Level:LVPECL) -( SD Level:LVTTL)-5KM-FC-¹¤Òµ¼¶(-40~85°C) |
|
FTTR-8503T-02TI |
1x9-MM850-155M-3.3V-( Data Level:LVPECL) -( SD Level:LVTTL)-5KM-ST-¹¤Òµ¼¶(-40~85°C) |
|
FTTR-8503HT-02 |
1x9-MM850-155M-5V-( Data Level:PECL) -( SD Level:TTL)-5KM-SC-ÉÌÒµ¼¶(0~70°C) |
|
FTTR-8503HT-02F |
1x9-MM850-155M-5V-( Data Level:PECL) -( SD Level:TTL)-5KM-FC-ÉÌÒµ¼¶(0~70°C) |
|
FTTR-8503HT-02T |
1x9-MM850-155M-5V-( Data Level:PECL) -( SD Level:TTL)-5KM-ST-ÉÌÒµ¼¶(0~70°C) |
|
FTTR-8503HT-02I |
1x9-MM850-155M-5V-( Data Level:PECL) -( SD Level:TTL)-5KM-SC-¹¤Òµ¼¶(-40~85°C) |
|
FTTR-8503HT-02FI |
1x9-MM850-155M-5V-( Data Level:PECL) -( SD Level:TTL)-5KM-FC-¹¤Òµ¼¶(-40~85°C) |
|
FTTR-8503HT-02TI |
1x9-MM850-155M-5V-( Data Level:PECL) -( SD Level:TTL)-5KM-ST-¹¤Òµ¼¶(-40~85°C) |
×¢£º±¾²úÆ·ÓÐÌìϲú»¯ÐͺſÉÑ¡
±¾²úƷΪ¹âÄ£¿é1x9ϵÁУ¬½öչʾ²¿·Ö²ÎÊý£¬ÈôÓÐÐèÒª£¬ÇëÁªÏµ大宝娱乐¡£
Important Notice
Performance figures, data and any illustrative material provided in this data sheet are typical and must be specifically confirmed in writing by F-tone Networks before they become applicable to any particular order or contract. In accordance with the F-tone Networks policy of continuous improvement specifications may change without notice.
The publication of information in this data sheet does not imply freedom from patent or other protective rights of F-tone Networks or others. Further details are available from any F-tone Networks sales representative.