²úÆ·ÐÎò
¡ñ´¿¹ú²úÁ㲿¼þ
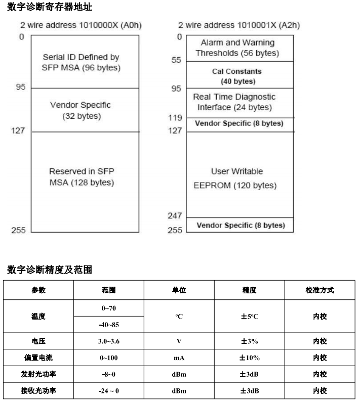
¡ñ×ñÕÕsff-8472µÄÊý×ÖÕï¶Ï¹¦Ð§
¡ñÌṩ¸ßËÙµÄI/OÍâòÌù×°¹Ü½Å
¡ñÈ«½ðÊôÍâ¿ÇÉè¼Æ
¡ñ´«Êä¾àÀë¿É´ï2km(62.5/125um¶àÄ£¹âÏË)
¡ñ¹¤Òµ¼¶Î¶ÈʹÓùæÄ££¬ÄÍÕñ¶¯Éè¼Æ
¡ñ850nm VCSEL¼¤¹âÆ÷£¬PIN¹âµç̽²âÎüÊÕÆ÷
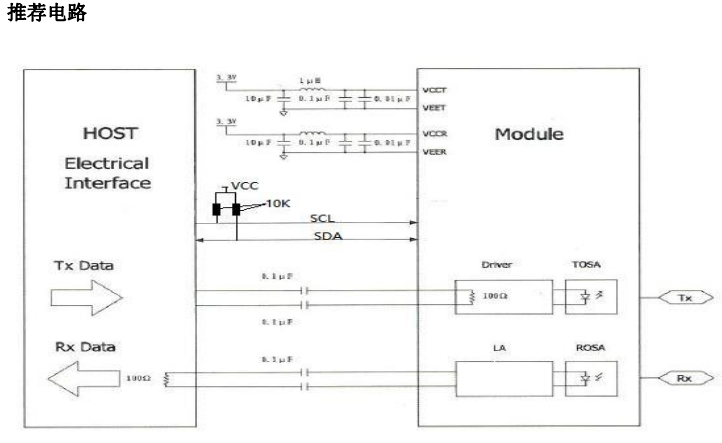
¡ñµ¥µçÔ´¹©µç(3.3V)
¡ñÊÂÇéζȣº
FT-95-RS-8503-02-GC 0¡æ~+70¡æ
FT-95-RS-8503-02I-GC -40¡æ~+85¡æ
²úÆ·Ó¦ÓÃ
¡ñ¹âÏËͨѶÁ´Â·








Important Notice
Performance figures, data and any illustrative material provided in this data sheet are typical and must be specifically confirmed in writing by F-tone Networks before they become applicable to any particular order or contract. In accordance with the F-tone Networks policy of continuous improvement specifications may change without notice.
The publication of information in this data sheet does not imply freedom from patent or other protective rights of F-tone Networks or others. Further details are available from any F-tone Networks sales representative.