
2M~100bps 1 x 9 TTL Transceiver Module
Product Description
F-tone’s FTTR-xxL3-xx(2~100M series) of transceiver modules are the perfect solution for Low-speed communication networks.The transceiver modules support data rates up 2 to 100 Mbps. These modules are fully compliant with the Multi-sourced 1x9 protocol.The transceiver modules supplies the TTL interface of 5.0 Voltage and provide the system designer with products to implement a range of low-speed data and digital video transmission designs at the 2 to 84 Mbps rate for fiber communications.Commerce level transceiver module which operating at 0¡æ to 70¡æ and Industry level which operating extended temperature as -40¡æ to +85¡æ for available.
Product Features
¡ñ Multi-sourced 1 x 9 pin packaged
¡ñ 1310nm FP or 1550nm FP (or DFB) Laser Transmitter
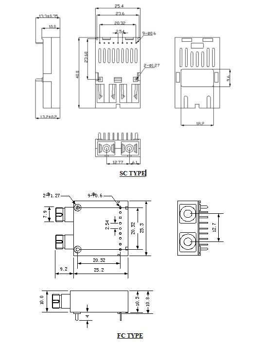
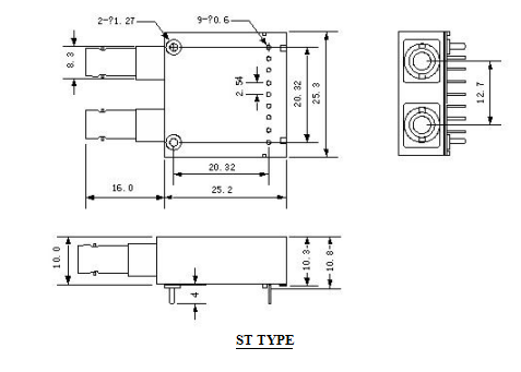
¡ñ SC /FC/ST single receptacle or Pigtail SC/PC, ST/PC, FC/PC optional
¡ñ Up to 120Km with 9/125μm SMF
¡ñ Single 5V /3.3V power supply
¡ñ TTL signal input and output
¡ñ TTL logic level signal detect output
¡ñ Wave Solderable and washable with process plug inserted
¡ñ Two temperature ranges:
— 0°C to +70°C
— -40°C to +85°C for industry level
Application
¡ñ Digital Video
¡ñ PDH,SDH equipments
Module Outline Drawing

0-2M Ordering information

0-10M Ordering information

2-100M Ordering information

×¢£º±¾²úÆ·ÓÐÌìϲú»¯ÐͺſÉÑ¡
±¾²úƷΪ¹âÄ£¿é1x9ϵÁУ¬½öչʾ²¿·Ö²ÎÊý£¬ÈôÓÐÐèÒª£¬ÇëÁªÏµ大宝娱乐¡£
Important Notice
Performance figures, data and any illustrative material provided in this data sheet are typical and must be specifically confirmed in writing by F-tone Networks before they become applicable to any particular order or contract. In accordance with the F-tone Networks policy of continuous improvement specifications may change without notice.
The publication of information in this data sheet does not imply freedom from patent or other protective rights of F-tone Networks or others. Further details are available from any F-tone Networks sales representative.