
3.2Gbps 1X10 Low Profile MiniSFF BIDI Dual Transmitter
FEATURES
¡ñ Low Profile Design - 0.386 inches max. height
¡ñ Surface mount I/O pins for high speed signal integrity
¡ñ All metal body, solder or screw mount options
¡ñ Up to 3.2Gbps data rate
¡ñ Support Video pathological pattern for SD-SDI,HD-SDI,3G-SDI.
¡ñ Single Fiber Bi-Directional Transmitter
¡ñ Super High Isolation Between Two Wavelengths
¡ñ Industrial Temp Range, Vibration tolerant design
¡ñ Individual (separate) +3.3 V power supply per port
¡ñ Industry standard single mode Pigtail receptacle
¡ñ Operating Temperature
¡¡¡¡¡¡¡¡¡¡FTMF-BT131532-02 : 0¡æ~+70¡æ
FTMF-BT131532-02I : -40¡æ~+85¡æ
APPLICATIONS
¡ñ Optic fiber transmission system
¡ñ High-density Video Routers
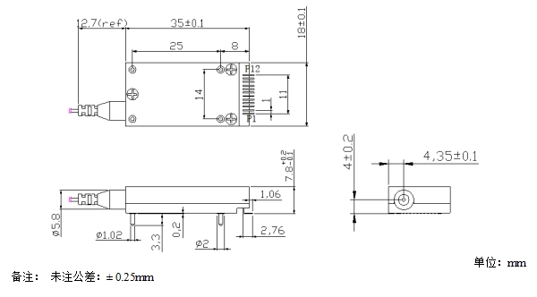
Mechanical Dimensions
Ordering Information
|
P/No. |
Wavelength(nm) |
TX1 Power(dBm) |
TX2 Sens(dBm) |
Bit Rate(Gb/s) |
Dist.(km) |
Volt.(V) |
Temp.(¡æ) |
|
FTMF-BT131532-02 |
TX1 / 1310nm |
-8~0 |
-8~0 |
3.2 |
2 |
3.3 |
0~70 |
|
FTMF-BT131532-02I |
TX1 / 1310nm |
-8~0 |
-8~0 |
3.2 |
2 |
3.3 |
-40~85 |
×¢£º±¾²úÆ·ÓÐÌìϲú»¯ÐͺſÉÑ¡
±¾²úƷΪFTMFϵÁУ¬½öչʾ²¿·Ö²ÎÊý£¬ÈôÓÐÐèÒª£¬ÇëÁªÏµ大宝娱乐¡£
Important Notice
Performance figures, data and any illustrative material provided in this data sheet are typical and must be specifically confirmed in writing by F-tone Networks before they become applicable to any particular order or contract. In accordance with the F-tone Networks policy of continuous improvement specifications may change without notice.
The publication of information in this data sheet does not imply freedom from patent or other protective rights of F-tone Networks or others. Further details are available from any F-tone Networks sales representative.