
84Mb/s 单模单收光收发一体模块
特点:
● SC/FC/ST或尾纤型光接口,单模单收光模块
● +3.3V /+5V供电
● 接口电平兼容标准TTL电平和CMOS电平
● 标准1×9管脚封装,引脚设置与 Multisource 协议兼容
● 吸收接纳平面结构InGaAsP PIN探测器
Feature:
● SC/FC/ST receptacle optical interface and pigtail optical interface
● Single-mode Receipt fibers optical transceiver
● Standard +3.3V/ or +5V Power Supply
● Standard TTL data output with signal detect indication, compatible with CMOS level
● Standard1×9 package
● Receiver has a planner InGaAsP PIN
应用:
●适用于84Mb/s以下速率的光纤传输系统。
参数:Specification
|
参数 Parameter |
条件 Condition |
最小 Min |
典范 Typ |
最大 Max |
|
事情波长 Wavelength (nm) |
1310nm |
1260 |
1310 |
1360 |
|
1550nm |
1530 |
1550 |
1570 |
|
|
电源电压 Power Supply(V) |
Vcc |
3.135 |
3.3 |
3.465 |
|
4.75 |
5 |
5.25 |
||
|
信号电平 Signal Level |
TTL |
|
0~5.0 |
|
|
LVTTL |
|
0~3.3 |
|
|
|
输出谱宽(nm) Output Spectral Width |
FP-LD,RMS |
|
|
4 |
|
DFB-LD,-20dB |
|
|
1 |
|
|
吸收电流(mA) Current of receiver section |
Vcc=5V |
|
|
6 |
|
Vcc=3.3V |
6 |
极限值
Absolute Maximum Ratings
|
事情温度 Operating temperature(℃) |
0~+70 (商业级) Commercial Level |
引线焊接温度 Lead soldering temperature(℃) |
<260 |
|
-40~+85 (工业级) Industrial Level |
|||
|
贮存温度 Storage temperature(℃) |
-40~+85 |
引线焊接时间 Soldering duration(Sec) |
<10 |
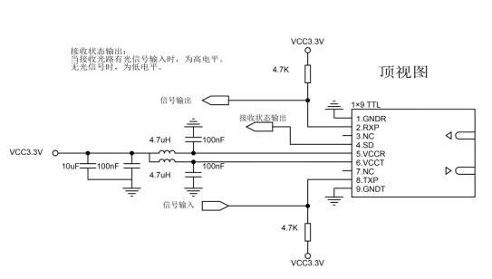
管脚界说
Pin Connections
|
管脚 Pin |
管脚名称 Name |
电平 Level |
说明 Description |
|
1 |
GNDR |
|
吸收部分接地脚Signal ground for Receiver |
|
2 |
RD |
TTL/LVTTL |
吸收部分数据输出Dataoutput of receiver section |
|
3 |
NC |
|
不接No connect |
|
4 |
SD |
TTL/LVTTL |
吸收部分无光告警。Signal Detect |
|
5 |
VccR |
|
吸收部分正电源Powersupplyforreceiver |
|
6 |
VccT |
|
不接No connect |
|
7 |
NC |
|
不接No connect |
|
8 |
TD |
TTL/LVTTL |
不接No connect |
|
9 |
GNDT |
|
不接No connect |
顶视图 Topview
接口电路 Interface Circuit
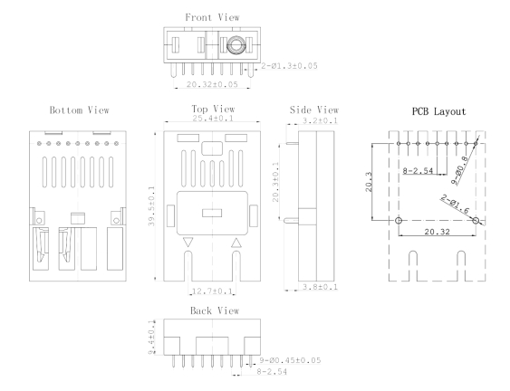
形状尺寸及接口界说
Dimension and optical interface
单模单收SC型接口
Receipt fiber SC optical interface
单模单收 FC 型接口(工业级)
Receipt fiber FC optical interface
单模单收ST型接口(工业级)
Receipt fiber ST optical interface
选型Ordering information
|
型号Part Number |
产品形貌Product Description |
型号中”xx”可选配参数 |
|
FTTR-R13L3-20-xx-GC |
1*9 84M SM RX1310nm 20KMTTL,0℃~+70℃ |
3S: 3.3V-SC 讨论; 3F: 3.3V-FC 讨论; 3T: 3.3V-ST 讨论; 5S: 5V-SC 讨论; 5F: 5V-FC 讨论; 5T: 5V-ST 讨论; |
|
FTTR-R13L3-40-xx-GC |
1*9 84M SM RX1310nm 40KM TTL ,0℃~+70℃ |
|
|
FTTR-R13L3-60-xx-GC |
1*9 84M SM RX1310nm 60KM TTL ,0℃~+70℃ |
|
|
FTTR-R13L3-80-xx-GC |
1*9 84M SM RX1550nm 80KM TTL ,0℃~+70℃ |
|
|
FTTR-R13L3-H0-xx-GC |
1*9 84M SM RX1550nm 100KM TTL ,0℃~+70℃ |
|
|
FTTR-R13L3-20I-xx-GC |
1*9 84M SM RX1310nm 20KMTTL,-40℃~+85℃ |
|
|
FTTR-R13L3-40I-xx-GC |
1*9 84M SM RX1310nm 40KM TTL , -40℃~+85℃ |
|
|
FTTR-R13L3-60I-xx-GC |
1*9 84M SM RX1310nm 60KM TTL ,-40℃~+85℃ |
|
|
FTTR-R13L3-80I-xx-GC |
1*9 84M SM RX1550nm 80KM TTL ,-40℃~+85℃ |
|
|
FTTR-R13L3-H0I-xx-GC |
1*9 84M SM RX1550nm 100KM TTL ,-40℃~+85℃ |
备注:“GC”,体现天下产。
Important Notice
Performance figures, data and any illustrative material provided in this data sheet are typical and must be specifically confirmed in writing by F-tone Networks before they become applicable to any particular order or contract. In accordance with the F-tone Networks policy of continuous improvement specifications may change without notice.
The publication of information in this data sheet does not imply freedom from patent or other protective rights of F-tone Networks or others. Further details are available from any F-tone Networks sales representative.