
¼æÈݰ²»ª¸ß6N137
²úÆ·ÐÎò
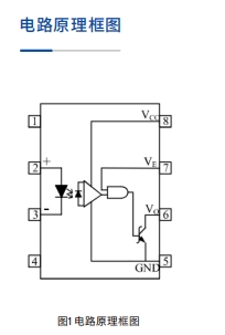
F-6N137 Ð͹âµçñîºÏÆ÷ÊÇÓÉÒ»¸öºìÍâ·¢¹â¶þ¼«¹ÜºÍÒ»¸ö¹âÃôоƬ×é³ÉµÄµ¥Í¨µÀ¹âµçñîºÏÆ÷£¬ÓÐÌÕ´É/ËÜ·â¿ÉÑ¡£¬ÓÐÉÌÒµ¼¶/¹¤Òµ¼¶/¾üÆ·¼¶¿ÉÑ¡¡£
²úÆ·ÌØµã
¡ñ ´«ÊäËÙÂÊ£º×î´óÖµ10MBd
¡ñ OCÃÅÊä³ö
¡ñ ¼æÈÝÍâÑó²úÆ·£º6N137
²úÆ·Ó¦ÓÃ
¡ñ ¸ôÀëÏßÎüÊÕÆ÷
¡ñ ¿ª¹ØµçÔ´
¡ñ ΢»úϵͳ½Ó¿Ú
¡ñ ÊýÄ£ºÍÄ£Êý(A/D¡¢D/A)ת»»
¡ñ ÒÇÆ÷ÊäÈëÊä³ö¸ôÀë
¡ñ ÅÌËã»úÍâΧ½Ó¿Ú
¡ñ ¹²µØ×ÌÈŵĸôÀë
¡ñ µç»úÇý¶¯ÖеŦÂʹܸôÀë
¡ñ Ìæ»»Âö³å±äѹÆ÷
¡ñ ¸ßËÙÂ߼ϵͳ¸ôÀë






×¢£º±¾²úƷΪÌìϲú
Important Notice
Performance figures, data and any illustrative material provided in this data sheet are typical and must be specifically confirmed in writing by F-tone Networks before they become applicable to any particular order or contract. In accordance with the F-tone Networks policy of continuous improvement specifications may change without notice.
The publication of information in this data sheet does not imply freedom from patent or other protective rights of F-tone Networks or others. Further details are available from any F-tone Networks sales representative.