
¼æÈݰ²»ª¸ßAFBR-2529Z£¨大宝娱乐FTBR-2529Z£©
²úÆ·¸ÅÊö
FTBR-1629Z/2529Z ϵÁйâÏËÊÕ·¢Æ÷¼þ£¬ ÅäºÏ 650nm ËÜÁϹâÏË Ê¹Óã¬ Ϊ¹¤Òµ¡¢·¢µç¡¢Ò½ÁÆ¡¢½»Í¨ºÍÓÎÏ·Ó¦ÓõÈÁìÓòÌṩ¸ß ÐÔÄܵͱ¾Ç®µÄ¹âÏËͨѶÁ´Â·¡£FTBR-1629Z/2529Z Åä¶ÔʹÓ㬠´«Êä ¾àÀë×îСΪ 50 Ãס£
FTBR-1629Z/2529Z Óë AVAGO µÄ AFBR-1629Z/2529Z ϵÁвúÆ·Íê È«¼æÈÝ£¬ Ö§³Ö¹¤Òµ±ê×¼µÄËÜÁϹâÏ˽ӿڣ¬ Ìṩˮƽ½á¹¹¡£ FTBR-1629Z/2529Z ÊÊÅäÖ±¾¶ 1mm µÄËÜÁϹâÏ˺ÍÖ±¾¶ 200μm µÄ HCS¹âÏË.
FTBR-1629Z Ϊ·¢ÉäÆ÷£¬ ÓÉÒ»¿Å·åÖµ²¨³¤Îª 650nm µÄ¸ß¹¦ÂÊ LED оƬºÍÆäÇý¶¯Ð¾Æ¬·â×°¶ø³É£¬ ÅäºÏ 1mm о¾¶µÄËÜÁϹâÏËÔÚ 5V µçÔ´µçѹÏÂÊä³ö¹â¹¦Âʵ䷶ֵΪ-3dBm¡£FTBR-2529Z ΪÎüÊÕÆ÷£¬ ÓÉ Ò»¿Å¼¯³É¹âµç¶þ¼«¹ÜµÄ¸ßÔöÒæ¿ç×è·Å´óÆ÷×é³É£¬ Êä³ö¼¶Îª¹ì µ½¹ì½á¹¹£¬ ×îÖÕÊä³ö TTL µçƽ¡£ÎªÁËÌá¸ßÎüÊÕÆ÷Êä³öÂö¿íµÄ ÎȹÌÐÔ£¬ ÎüÊÕоƬÉè¼ÆÁË×Ô¶¯Âö¿íУ׼µç·£¬ Âö¿íÊ§ÕæÔÚ± 5ns ÒÔÄÚ¡£
²úÆ·ÌØµã
¡ñ Êý¾Ý´«ÊäËÙÂÊ£º DC-50MBd
¡ñ µä·¶´«Êä¾àÀ룺 50Ã×
¡ñ Êä³ö²¨ÐÎÂö¿íÎȹÌ
¡ñ ÇÐºÏ RoHS ±ê×¼
¡ñ Öª×㹤ҵ¼¶Î¶ȹæÄ££º -40¡æÖÁ 85¡æ
Ó¦ÓÃ
¡ñ ¹¤³§×Ô¶¯»¯
¡ñ ¹¤ÒµÍøÂçºÍÏÖ³¡×ÜÏß
¡ñ ÒôÊÓÆµÓ¦ÓÃ/ÓÎÏ·Ó¦ÓÃ
¡ñ ¾ÖÓòÍøÂç
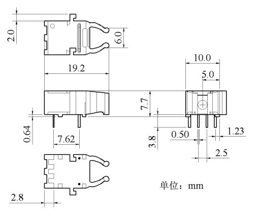
ÐÎ×´³ß´çͼ£¨FTBR-1629Z/2529Z£©

²úÆ·ÐͺÅÁбí
|
ÐͺŠ|
¹âÏËÀàÐÍ |
²¨³¤(nm) |
ÀàÐÍ |
|
FTBR-1629Z |
MM |
650 |
·¢ÉäÆ÷¼þ |
|
FTBR-2529Z |
MM |
650 |
ÎüÊÕÆ÷¼þ |
±¾²úƷΪFTBRϵÁУ¬½öչʾ²¿·Ö²ÎÊý£¬ÈôÓÐÐèÒª£¬ÇëÁªÏµ大宝娱乐¡£
Important Notice
Performance figures, data and any illustrative material provided in this data sheet are typical and must be specifically confirmed in writing by F-tone Networks before they become applicable to any particular order or contract. In accordance with the F-tone Networks policy of continuous improvement specifications may change without notice.
The publication of information in this data sheet does not imply freedom from patent or other protective rights of F-tone Networks or others. Further details are available from any F-tone Networks sales representative.