
¼æÈݰ²»ª¸ßHCPL-315J
²úÆ·ÐÎò
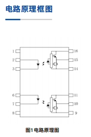
FCPL-315JÐ͹âµçñîºÏÆ÷ÊÇÓÉÁ½¸ö¸öºìÍâ·¢¹â¶þ¼«¹ÜºÍÁ½¸ö¹âÃôоƬ×é³ÉµÄ˫ͨµÀ¹âµçñîºÏÆ÷£¬ÓÐÌÕ´É/ËÜ·â¿ÉÑ¡£¬ÓÐÉÌÒµ¼¶/¹¤Òµ¼¶/¾üÆ·¼¶¿ÉÑ¡¡£
²úÆ·ÌØµã
¡ñ ¿íµçѹ¹æÄ££º+15V~+30V
¡ñ µç·ÀàÐÍ£º¸ôÀëÃÅÇý¶¯IGBT/MOSFET
¡ñ ¼æÈÝÍâÑó²úÆ·£ºHCPL-315J
²úÆ·Ó¦ÓÃ
¡ñ ¸ôÀëÏßÎüÊÕÆ÷
¡ñ ¹²µØ×ÌÈŵĸôÀë
¡ñ ¿ª¹ØµçÔ´
¡ñ µç»úÇý¶¯ÖеŦÂʹܸôÀë
¡ñ Ìæ»»Âö³å±äѹÆ÷
¡ñ ÒÇÆ÷ÊäÈëÊä³ö¸ôÀë
¡ñ Äæ±äÆ÷¸ôÀë
¡ñ IGBTÇý¶¯¸ôÀë




×¢£º±¾²úƷΪÌìϲú
Important Notice
Performance figures, data and any illustrative material provided in this data sheet are typical and must be specifically confirmed in writing by F-tone Networks before they become applicable to any particular order or contract. In accordance with the F-tone Networks policy of continuous improvement specifications may change without notice.
The publication of information in this data sheet does not imply freedom from patent or other protective rights of F-tone Networks or others. Further details are available from any F-tone Networks sales representative.