
¼æÈݰ²»ª¸ßAFBR-1715MZ£¨大宝娱乐FTBR-1715MZ£©
²úÆ·ÏÈÈÝ
FTBR-1715xxϵÁйâÏË·¢ÉäÆ÷¼þ£¬ÅäºÏFTBR-2418xxºÍ850nm¶àÄ£¹âÏËʹÓã¬Îª¹¤Òµ¡¢·¢µç¡¢Ò½ÁÆ¡¢½»Í¨ºÍÓÎÏ·Ó¦ÓõÈÁìÓòÌṩ¸ßÐÔÄܵͱ¾Ç®µÄ¹âÏËͨѶÁ´Â·¡£FTBR-1715xxÖ§³Ö¹¤Òµ±ê×¼µÄST¹âÏ˽ӿڣ¬Ìṩ´øÂÝÎÆ½Ó¿Ú»òÕß½ðÊô½Ó¿Ú¿ÉÑ¡¡£FTBR-1715xxÊÊÅä¶àÖÖÀà¹âÏËо¾¶µÄ¶àÄ£¹âÏË£¬°üÀ¨62.5/125μmºÍ105μm.FTBR-1715xxÓÉÒ»¿Å·åÖµ²¨³¤Îª850nmµÄVcselоƬºÍÇý¶¯Ð¾Æ¬·â×°¶ø³É£¬ÅäºÏ62.5/125μmо¾¶µÄ850nm¶àÄ£¹âÏ˵ĵ䷶Êä³ö¹â¹¦ÂÊΪ-1dBm¡£
²úÆ·ÌØµã
?Êý¾Ý´«ÊäËÙÂÊ£ºDC-50MBd
?Öª×ãLVTTL
?Öª×㹤ҵ¼¶Î¶ȹæÄ££º-40¡æÖÁ 85¡æ
?ÇÐºÏ RoHS ±ê×¼
?ÊÊÅä¶àÖÖо¾¶¹âÏË
?STÌÖÂÛ´øÂÝÎÆ»ò½ðÊô½Ó¿Ú¿ÉÑ¡
²úÆ·Ó¦ÓÃ
?¹¤³§×Ô¶¯»¯
?¾ÖÓòÍøÂç
?ÒôÊÓÆµÓ¦ÓÃ/ÓÎÏ·Ó¦ÓÃ
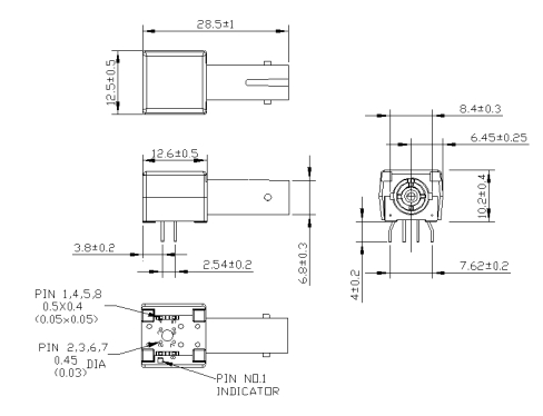
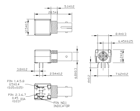
ÐÎ×´³ß´çͼ
½ðÊôST½Ó¿ÚÐÎ×´³ß´çͼ£¨FTBR-1715MZ£©
´øÂÝÎÆµÄST½Ó¿ÚÐÎ×´³ß´çͼ£¨FTBR-1715TZ£©

²úÆ·ÐͺÅÁбí
|
²úÆ·ÐͺŠ|
˵Ã÷ |
|
FTBR-1715MZ |
·¢ÉäÆ÷¼þ£¬½ðÊôST½Ó¿Ú |
|
FTBR-1715TZ |
·¢ÉäÆ÷¼þ£¬´øÂÝÎÆµÄST½Ó¿Ú |
×¢£º±¾²úÆ·ÓÐÌìϲú»¯ÐͺſÉÑ¡
±¾²úƷΪFTBRϵÁУ¬½öչʾ²¿·Ö²ÎÊý£¬ÈôÓÐÐèÒª£¬ÇëÁªÏµ大宝娱乐¡£
Important Notice
Performance figures, data and any illustrative material provided in this data sheet are typical and must be specifically confirmed in writing by F-tone Networks before they become applicable to any particular order or contract. In accordance with the F-tone Networks policy of continuous improvement specifications may change without notice.
The publication of information in this data sheet does not imply freedom from patent or other protective rights of F-tone Networks or others. Further details are available from any F-tone Networks sales representative.