Description
µ¥Í¨µÀ¸ßƵ°ëµ¼Ìå DFB ¼¤¹âÆ÷
ÌØµã
¡ñ ¿íƵ´ø .......................... 2 GHz -18 GHz
¡ñ µÍÔëÉù .......................... ÔëÉùϵÊý<46dB@18GHz>
Ö÷ÒªÊÖÒÕ²ÎÊý

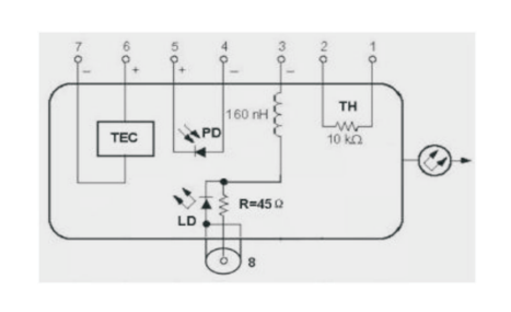
¹Ü½Å½ç˵£º


Important Notice
Performance figures, data and any illustrative material provided in this data sheet are typical and must be specifically confirmed in writing by F-tone Networks before they become applicable to any particular order or contract. In accordance with the F-tone Networks policy of continuous improvement specifications may change without notice.
The publication of information in this data sheet does not imply freedom from patent or other protective rights of F-tone Networks or others. Further details are available from any F-tone Networks sales representative.