
Description
The F-tone Networks CFP4 100GEBASE-LR4 optical transceiver is a hot pluggable 100Gbps small-form-factor transceiver module. It is designed for use in 100 Gigabit Ethernet links and 4x28G OTN client interfaces over single mode fiber. It is compliant with the CFP MSA, IEEE 802.3ba 100GBASE LR4 and OTU4 4I1-9D1F. The module converts 4 input channels of 25Gb/s electrical data to 4 channels of LAN WDM optical signals and then multiplexes them into a single channel for 100Gb/s optical transmission. On the receiver side, the module de-multiplexes the 100Gb/s optical into 4 channels of LAN WDM optical signals and then converts them to 4 output channels of electrical data. The module is a multi-rate optical transceiver which data rate up to 28Gbps per channel. The high performance cooled LAN WDM EML Integrated TOSA and PIN-base Integrated ROSA provide superior performance for Telecom and Datacom applications up to 10km links.
Features
¡ñ 4 channels full-duplex transceiver modules
¡ñ Transmission data rate up to 28Gbps per channel
¡ñ 4 X 25/28G LAN-WDM EML Integrated TOSA Cooling transmitter
¡ñ 4 channels PIN-base Integrated ROSA
¡ñ Compliant with CFP4 MSA hardware specification
¡ñ Compliant with CFP MSA management specification
¡ñ Compliant to IEEE 802.3ba specification for 100GBASE-LR4
¡ñ Compliant to OTU4
¡ñ Transmission distance up to 10km on SMF
¡ñ 4 parallel electrical serial interface and AC coupling of CML signals
¡ñ MDIO real-time digital diagnostic and control capabilities
¡ñ Internal CDR circuits on both receiver and transmitter channels
¡ñ Hot pluggable
¡ñ Total Power Consumption<4W
¡ñ 3.3V power supply
¡ñ Duplex LC receptacle optical interface
¡ñ RoHS 6 compliant(lead free)
¡ñ Case operating temperature
Commercial: 0 ~ +70¡æ
Industrial: -40 ~ +85¡æ
Applications
¡ñ 100GbE IEEE 802.3ba 100GBASE-LR4
¡ñ ITU-T G.959.1 OTU4 (4I1-9D1F)
¡ñ Switch to switch interface or Switch to router interface
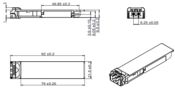
Mechanical Dimensions
Unit(MM)

Ordering information
|
Part Number |
Product Description |
|
FTC4-HG-LR4 |
CFP4, LAN-WDM EML transmitter, PIN ROSA,100GE/OTU4,10km,0ºC ~ +70ºC |
|
FTC4-HG-LR4I |
CFP4, LAN-WDM EML transmitter, PIN ROSA,100GE/OTU4,10km,-40ºC ~ +85ºC |
±¾²úƷΪ25G~400G¸ßËÙ¹âÄ£¿éϵÁУ¬ÈôÓÐÐèÒª£¬ÇëÁªÏµ大宝娱乐¡£
×¢£º±¾²úÆ·ÓÐÌìϲú»¯ÐͺſÉÑ¡
Important Notice
Performance figures, data and any illustrative material provided in this data sheet are typical and must be specifically confirmed in writing by F-tone Networks before they become applicable to any particular order or contract. In accordance with the F-tone Networks policy of continuous improvement specifications may change without notice.
The publication of information in this data sheet does not imply freedom from patent or other protective rights of F-tone Networks or others. Further details are available from any F-tone Networks sales representative.