
Description
F-tone Networks’s FTQD-4H-4Q5-Oxxx MMF Active Optical Splitter Cable is used in 4 X 100 Gigabit Ethernet links over OM3/OM4/OM5 multimode fiber, which provides connectivity between system units with a 400GbE connector on one side and four separate 100GbE connectors on the other four sides. The cable connects data signals from each of the 8 MMF (Multi Mode Fiber) pairs on the single QSFP56-DD end to the dual pair of each of the QSFP56 multiport ends.
F-tone Networks’s FTQD-4H-4Q5-Oxxx MMF Active Optical Splitter Cable is compliant with the QSFP-DD-MSA and with 100GBASE-SR2 specification. Digital diagnostics functions are available via the I2C interface as specified by CMIS V4.0. The transceiver is RoHS 2.0 compliant and lead-free per Directive 2011/65/EU.
Features
¡ñ Hot-plug QSFP56-DD and QSFP56 form factor
¡ñ 8x 50Gb/s PAM4 modulation
¡ñ Low power dissipation <9W (400G End)
¡ñ Low power dissipation <4.5W (100G End)
¡ñ RoHS-6 compliant (lead-free)
¡ñ Commercial case temperature range of 0°C to 70°C
¡ñ Single 3.3V power supply
¡ñ Maximum link length of 70m on OM3 MMF and 100m on OM4 & OM5 MMF
¡ñ Uncooled 850nm VCSEL array (both End)
¡ñ PIN photo detector array (both End)
¡ñ 400GBASE-SR8 and 100GBASE-SR2 compliant
¡ñ I2C management interface
¡ñ CMIS V4.0 compliant
¡ñ Case operating temperature
Commercial: 0 ~ +70¡æ
Industrial: -40 ~ +85¡æ
Applications
¡ñ IEEE 802.3cd 100GBASE-SR2 Ethernet (PAM4)
¡ñ IEEE 802.3cd 400GBASE-SR8 Ethernet (PAM4)
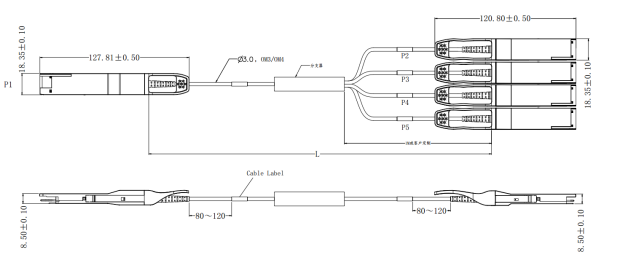
Mechanical Dimensions
Ordering Information
|
Part Number |
Product Description |
|
FTQD-4H-4Q5-Oxxx |
QSFP56-DD, 400GbE to 4x100GbE MMF Active Optical Splitter Cable,0ºC ~ +70ºC |
|
FTQD-4H-4Q5-OxxxI |
QSFP56-DD, 400GbE to 4x100GbE MMF Active Optical Splitter Cable,-40ºC ~ +85ºC |
|
xxx |
005-5m, 020-20m, 050-50m, 100-100m |
±¾²úƷΪ25G~400G¸ßËÙ¹âÄ£¿éϵÁУ¬ÈôÓÐÐèÒª£¬ÇëÁªÏµ大宝娱乐¡£
×¢£º±¾²úÆ·ÓÐÌìϲú»¯ÐͺſÉÑ¡
Important Notice
Performance figures, data and any illustrative material provided in this data sheet are typical and must be specifically confirmed in writing by F-tone Networks before they become applicable to any particular order or contract. In accordance with the F-tone Networks policy of continuous improvement specifications may change without notice.
The publication of information in this data sheet does not imply freedom from patent or other protective rights of F-tone Networks or others. Further details are available from any F-tone Networks sales representative.