
FT-49-GD45232R Ð͸ßËÙ InGaAs ¹âµç̽²âÆ÷
²úÆ·ÐÎò
FT-49-GD45232R Ð͸ßËÙ InGaAs ¹âµç̽²âÆ÷ʹÓõ¥Æ¬¼¯³É PD оƬ£¬½ÓÄÉ FC/APC ¹âÏËÊäÈë¡¢1.85mm É䯵½Ó¿ÚÊä³ö¡¢ÆøÃÜ·â×°½á¹¹¡£²úÆ·¿ÉÔÚÒÇÆ÷×°±¸ÖоÙÐг¬¿ìÂö³åÕÉÁ¿Ó¦Óá£
Ö÷ÒªÐÔÄÜÖ¸±ê(TC=22± 3¡æ)
¾ø¶Ô×î´ó¶î¶¨Öµ
ÍÆ¼öÊÂÇé״̬
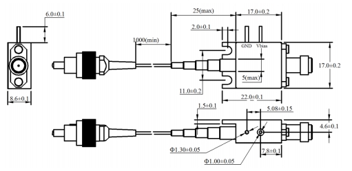
·â×°ÐÎ×´¡¢³ß´ç¼°Òý½Å½ç˵£¨µ¥Î»£ºmm£©

×¢£º±¾²úÆ·ÓÐÌìϲú»¯ÐͺſÉÑ¡
±¾²úƷΪFT-49ϵÁУ¬½öչʾ²¿·Ö²ÎÊý£¬ÈôÓÐÐèÒª£¬ÇëÁªÏµ大宝娱乐¡£
Important Notice
Performance figures, data and any illustrative material provided in this data sheet are typical and must be specifically confirmed in writing by F-tone Networks before they become applicable to any particular order or contract. In accordance with the F-tone Networks policy of continuous improvement specifications may change without notice.
The publication of information in this data sheet does not imply freedom from patent or other protective rights of F-tone Networks or others. Further details are available from any F-tone Networks sales representative.