
¼æÈݰ²»ª¸ßHEDS-9140#H00
¸ÅÊö
FEDS-91 ϵÁÐÊǸßÐÔÄÜ£¬µÍ±¾Ç®£¬¹âѧÈýͨµÀÔöÁ¿±àÂëÆ÷Ä£¿é¡£ÄÚ²¿¼¯³ÉÁËϸÃܹâÕ¤Ïàλ¾ØÕó½ÓÊÜоƬºÍ¹âÔ´£¬ÅäºÏÂëÅÌ£¬Ä£¿é¾ÍÄÜ´«¸Ð³öת¶¯µÄλÖÃÐÅÏ¢ºÍËÙÂÊÐÅÏ¢¡£FEDS-91ϵÁа´¹âѧÖÐÐÄ11mm£¬±ê×¼µÄCPRÓУº100£¬200£¬256£¬360£¬400£¬500£¬512£¬600£¬1000£¬1024,2000£¬2048,2500.
ÌØµã
¡ñ ½ÓÄɹâµç¾ØÕóÅÅÁÐÊÖÒÕ
¡ñ ÊÂÇéζÈ-40 ?C-- +105 ?C
¡ñ ¶àÖÖCPRÑ¡Ôñ
¡ñ CÐͽṹ£¬Àû±ãʹÓÃ
¡ñ Êä³öTTL¼æÈÝ
¡ñ 5V¹©µç
Ó¦ÓÃ
µä·¶Ó¦Óðü¹Î´òÓ¡»ú£¬»æÍ¼ÒÇ£¬ËÅ·þµç»ú£¬¹¤³§×Ô¶¯»¯µÈ¡£
×¢ÖØ: 1. ½¨Òé²»±ØÓÚ¸úÉúÃüÇå¾²Ïà¹ØµÄÓ¦Óã¬Èçɲ³µÏµÍ³
×î´óʹÓÃÇéÐÎ


ÍÆ¼öʹÓÃÇéÐÎ

µçÆø²ÎÊý

µçÆø²ÎÊýÊÇÔÚÍÆ¼öʹÓÃÇéÐÎÏÂ25 ?C²âµÃµÄ¡£
²¨ÐÎͼ

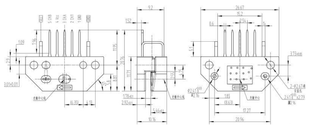
Ä£¿é»úеλÖóߴç
ͼ 3 »úе³ß´çͼ
Òý½Å½ç˵

×¢ÖØ£º 1£¬ Z ͨµÀÊä³öÓÐÁ½¸öÑ¡Ôñ£¬Ò»¸öΪ 1/4T Êä³ö£¬ÁíÍâÒ»¸öÁãλÔʼÐźÅ---ZUG Êä³ö£¬ZUG Êä³öԼĪÔÚ 1T ×óÓÒ£¬ ZUG ºÍ A,B ûÓл®¶¨µÄµÄλÖùØÏµ£¬µ«Ã¿¸öÆ÷¼þλÖÃÈ·¶¨¡£
2, ÁãλÊä³öÓÐÐͺÅ×îºóһλÀ´Ñ¡Ôñ 1/4T »ò ZUG£¬ ĩλΪ 1 ÌåÏÖ Z Êä³öÊÇ ZUG£¬Ä©Î»Îª 4 ÌåÏÖ Z Êä³öÊÇ 1/4T
Ä£¿éÑ¡ÐÍÖ¸ÄÏ
| ϵÁÐ | F-tone ²úÆ· | ¼æÈÝAVAGO £¨°²»ª¸ß£©ÐͺŠ| ÐÎò |
| 91/90ϵÁÐÄ£¿é | FEDS-9140#C00 | HEDS-9140#C00 | ÈýͨµÀ£¬A,B,Z£¬ 100CPR£¬¹âѧ°ë¾¶11mm |
| FEDS-9140#E00 | HEDS-9140#E00 | ÈýͨµÀ£¬A,B,Z£¬ 200CPR,¹âѧ°ë¾¶11mm | |
| FEDS-9140#F00 | HEDS-9140#F00 | ÈýͨµÀ£¬A,B,Z£¬ 256CPR,¹âѧ°ë¾¶11mm | |
| FEDS-9140#G00 | HEDS-9140#G00 | ÈýͨµÀ£¬A,B,Z£¬ 360CPR,¹âѧ°ë¾¶11mm | |
| FEDS-9140#H00 | HEDS-9140#H00 | ÈýͨµÀ£¬A,B,Z£¬ 400CPR,¹âѧ°ë¾¶11mm | |
| FEDS-9140#A00 | HEDS-9140#A00 | ÈýͨµÀ£¬A,B,Z£¬ 500CPR,¹âѧ°ë¾¶11mm | |
| FEDS-9140#I00 | HEDS-9140#I00 | ÈýͨµÀ£¬A,B,Z£¬512CPR,¹âѧ°ë¾¶11mm | |
| FEDS-9140#B00 | HEDS-9140#B00 | ÈýͨµÀ£¬A,B,Z£¬ 1000CPR,¹âѧ°ë¾¶11mm | |
| FEDS-9140#J08 | HEDS-9140#J08 | ÈýͨµÀ£¬A,B,Z£¬ 1024CPR,¹âѧ°ë¾¶11mm | |
| FEDS-9140#T00 | HEDS-9140#T00 | ÈýͨµÀ£¬A,B,Z£¬ 2000CPR,¹âѧ°ë¾¶23.36mm | |
| FEDS-9100#C00 | HEDS-9100#C00 | ¶þͨµÀA,B 100CPR, ¹âѧ°ë¾¶11mm | |
| FEDS-9100#E00 | HEDS-9100#E00 | ¶þͨµÀ,A,B 200CPR, ¹âѧ°ë¾¶11mm | |
| FEDS-9100#F00 | HEDS-9100#F00 | ¶þͨµÀ,A,B 256CPR, ¹âѧ°ë¾¶11mm | |
| FEDS-9100#G00 | HEDS-9100#G00 | ¶þͨµÀA,B 360CPR, ¹âѧ°ë¾¶11mm | |
| FEDS-9100#H00 | HEDS-9100#H00 | ¶þͨµÀA,B 400CPR, ¹âѧ°ë¾¶11mm | |
| FEDS-9100#A00 | HEDS-9100#A00 | ¶þͨµÀA,B 500CPR, ¹âѧ°ë¾¶11mm | |
| FEDS-9100#B00 | HEDS-9100#B00 | ¶þͨµÀA,B 1000CPR, ¹âѧ°ë¾¶11mm | |
| 92 | FEDS-9200#300 | HEDS-9200#300 | ¶þͨµÀA,B 300LPI, Ö±ÏßÐÔ |
| 97ϵÁÐÄ£¿é | FEDS-970X#C50 | HEDS-970X#C50 | ¶þͨµÀA,B 100CPR, ¹âѧ°ë¾¶11mm,´ø×°ÖÃ¿× |
| FEDS-970X#C54 | HEDS-970X#C54 | ¶þͨµÀA,B 100CPR, ¹âѧ°ë¾¶11mm£¬ÎÞ×°ÖÃ¿× | |
| FEDS-970X#E50 | HEDS-970X#E50 | ¶þͨµÀA,B 200CPR, ¹âѧ°ë¾¶11mm,´ø×°ÖÃ¿× | |
| FEDS-970X#E54 | HEDS-970X#E54 | ¶þͨµÀA,B 200CPR, ¹âѧ°ë¾¶11mm£¬ÎÞ×°ÖÃ¿× | |
| FEDS-970X#F50 | HEDS-970X#F50 | ¶þͨµÀA,B 256CPR, ¹âѧ°ë¾¶11mm,´ø×°ÖÃ¿× | |
| FEDS-970X#F54 | HEDS-970X#F54 | ¶þͨµÀA,B 256CPR, ¹âѧ°ë¾¶11mm£¬ÎÞ×°ÖÃ¿× | |
| FEDS-970X#G50 | HEDS-970X#G50 | ¶þͨµÀA,B 360CPR, ¹âѧ°ë¾¶11mm,´ø×°ÖÃ¿× | |
| FEDS-970X#G54 | HEDS-970X#G54 | ¶þͨµÀA,B 360CPR, ¹âѧ°ë¾¶11mm£¬ÎÞ×°ÖÃ¿× | |
| FEDS-970X#H50 | HEDS-970X#H50 | ¶þͨµÀA,B 400CPR, ¹âѧ°ë¾¶11mm,´ø×°ÖÃ¿× | |
| FEDS-970X#H54 | HEDS-970X#H54 | ¶þͨµÀA,B 400CPR, ¹âѧ°ë¾¶11mm£¬ÎÞ×°ÖÃ¿× | |
| FEDS-970X#A50 | HEDS-970X#A50 | ¶þͨµÀA,B 500CPR, ¹âѧ°ë¾¶11mm,´ø×°ÖÃ¿× | |
| FEDS-970X#A54 | HEDS-970X#A54 | ¶þͨµÀA,B 500CPR, ¹âѧ°ë¾¶11mm£¬ÎÞ×°ÖÃ¿× | |
| FEDS-970X#B50 | HEDS-970X#B50 | ¶þͨµÀA,B 1000CPR, ¹âѧ°ë¾¶11mm,´ø×°ÖÃ¿× | |
| FEDS-970X#B54 | HEDS-970X#B54 | ¶þͨµÀA,B 1000CPR, ¹âѧ°ë¾¶11mm£¬ÎÞ×°ÖÃ¿× | |
| FEDS-972X#P50 | HEDS-972X#P50 | ¶þͨµÀA,B 150LPI, Ö±ÏßÐÍ,´ø×°ÖÃ¿× | |
| FEDS-972X#P54 | HEDS-972X#P54 | ¶þͨµÀA,B 150LPI, Ö±ÏßÐÍ,ÎÞ×°ÖÃ¿× | |
| FEDS-973X#Q50 | HEDS-973X#Q50 | ¶þͨµÀA,B 180LPI, Ö±ÏßÐÍ,´ø×°ÖÃ¿× | |
| FEDS-973X#Q54 | HEDS-973X#Q54 | ¶þͨµÀA,B 180LPI, Ö±ÏßÐÍ,ÎÞ×°ÖÃ¿× | |
| FEDS-973X#250 | HEDS-973X#250 | ¶þͨµÀA,B 300LPI, Ö±ÏßÐÍ,´ø×°ÖÃ¿× | |
| FEDS-973X#254 | HEDS-973X#254 | ¶þͨµÀA,B 300LPI, Ö±ÏßÐÍ,ÎÞ×°ÖÃ¿× | |
| FEDS-973X#150 | HEDS-973X#150 | ¶þͨµÀA,B 360LPI, Ö±ÏßÐÍ,´ø×°ÖÃ¿× | |
| FEDS-973X#154 | HEDS-973X#154 | ¶þͨµÀA,B 360LPI, Ö±ÏßÐÍ,ÎÞ×°ÖÃ¿× | |
ÆäËûÉÐÓдó×Ú¿ÉÌæ»»avago finisar ....µÈµÈÆ·ÅÆµÄ²úÆ·£¬ÇëÁªÏµ大宝娱乐µÄÊг¡Ö°Ô±
Important Notice
Performance figures, data and any illustrative material provided in this data sheet are typical and must be specifically confirmed in writing by F-tone Networks before they become applicable to any particular order or contract. In accordance with the F-tone Networks policy of continuous improvement specifications may change without notice.
The publication of information in this data sheet does not imply freedom from patent or other protective rights of F-tone Networks or others. Further details are available from any F-tone Networks sales representative.