
¸ßËÙ InGaAs ¹âµç̽²âÆ÷£¨≥0.80 A/W£©
大宝娱乐Ñб¬·¢²ú:¸ßËÙ InGaAs ¹âµç̽²âÆ÷£¨≥0.80 A/W£© , ÊÇÒ»¼ÒרҵµÄ¸ßËÙ InGaAs ¹âµç̽²âÆ÷£¨≥0.80 A/W£© ³§¼Ò,¾ßÓÐÓÅÖʵĸßËÙ InGaAs ¹âµç̽²âÆ÷£¨≥0.80 A/W£© Æ·ÖÊ,ÓкܺõĸßËÙ InGaAs ¹âµç̽²âÆ÷£¨≥0.80 A/W£© ¼ÛÇ®,¸ßËÙ InGaAs ¹âµç̽²âÆ÷£¨≥0.80 A/W£© º£Á¿½»¸¶¸ø¹ú·À¡¢¾ü¹¤¡¢º½¿Õ¡¢º½Ìì¡¢ÎäÆ÷¡¢½¢´¬¡¢À×´ï¡¢µç×Ó¡¢ºË¹¤Òµ¡¢¾üÊ¡¢µçÁ¦¡¢Ìú·¡¢Ò½ÁÆ¡¢½»Í¨¡¢Í¨Ñ¶¡¢µçÐÅ¡¢Õþ¸®¡¢¹ú·À¿Æ¼¼¹¤ÒµÏµÍ³ÄÚ´óרԺУ¼°¿ÆÑÐÔºËù
FT-49-ACPD1827SMAFA InGaAs ¹âµç̽²âÆ÷¼¯³ÉÄÚÆ«Öõç·,½ÓÄÉ DC ñîºÏ¡¢SMA Êä³ö½Ó¿Ú¡¢ÆøÃÜ·â×°½á¹¹¡£
²úÆ·¾ßÓи߱¥ºÍÌØÕ÷,¿ÉÔÚ¸ßËÙ¹âͨѶ¡¢Î¢²¨¹â×ÓÁ´Â·¡¢¸ßËÙ²âÊÔÕÉÁ¿µÈϵͳӦÓá£
¡ö Ö÷ÒªÐÔÄÜÖ¸±ê(TC=22±3¡æ)
¡ö ¾ø¶Ô×î´ó¶î¶¨Öµ
¡ö ÖÊÁ¿¿É¿¿ÐÔ°ü¹Ü
¨D²úÆ·Ö´ÐÐ GJB 8120-2013¡¶°ëµ¼Ìå¹âµçÄ£¿éͨÓù淶¡·Ïà¹ØÒªÇó¡£
¡ö µä·¶ÌØÕ÷ÇúÏß
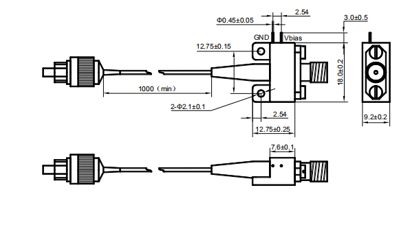
¡ö ·â×°ÐÎ×´¡¢³ß´ç¼°Òý½Å½ç˵£¨µ¥Î»£ºmm£©
Important Notice