大宝娱乐

±ê×¼¹âÄ£¿é

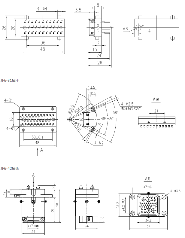
JF6ϵÁоØÐÎÊèÉ¢µçÅþÁ¬Æ÷

JF6ϵÁоØÐÎÊèÉ¢µçÅþÁ¬Æ÷

0.0/5 rating (0 votes)

Description

JF6ϵÁоØÐÎÊèÉ¢µçÅþÁ¬Æ÷

¡ñÊÊÓÃÓÚÕ½ÂÔÕ½ÊõÎäÆ÷ϵͳ¡¢º½ÌìÔËÔØÏµÍ³¼¶¼äµÄµçÆøÅþÁ¬,ÒÔ¼°ÖÖÖÖµçÆ÷ϵͳ¡¢µç×Ó×°±¸µÈϵͳ֮¼äµÄµçÆøÏß·ÅþÁ¬,²¢¿É×÷˲¼äÊèÉ¢
¡ñÅþÁ¬·½·¨ÎªÖ±²åʽ,ÊèÉ¢·½·¨ÎªÖáÏòÖ±°ÎÊèÉ¢
¡ñ²úÆ·Ìå»ýС,ÖØÁ¿Çá,½á¹¹¼òÆÓ,ÐÔÄܿɿ¿,ÆäÖÐJF6-42ºÍ JF6-76²å×ù²åºÏÃæ¿ÉÄÍ˲ʱ¸ßλðÑæ¡£

ʹÓÃÇéÐÎÌõ¼þ
ÊÂÇéζÈ: -55¡æ¡«100¡æ£¨31оΪ-40¡æ¡«85¡æ£©
Ïà¶Ôʪ¶È: 40±2¡æÊ±Ïà¶Ôʪ¶È90%¡«95%
ÊÂÇéÆøÑ¹: 101.33kPa¡«6.7Pa
ÕýÏÒÕñ¶¯: 10¡«2000Hz ¼ÓËÙÂÊ150m/s2£¨31о£©
10¡«2000Hz ¼ÓËÙÂÊ200m/s2£¨76о£©
Ëæ»úÕñ¶¯: ¹¦ÂÊÆ×ÃܶÈ0.2G2/Hz
×ܼÓËÙÂʾù·½¸ùÖµ16.4G£¨42о£©
¹¦ÂÊÆ×ÃܶÈ0.3G2/Hz
×ܼÓËÙÂʾù·½¸ùÖµ20G£¨76о£©
³å »÷ ¼ÓËÙÂÊ1000m/s2£¨31оΪ500m/s2£©
¼Ó ËÙ ¶È ¼ÓËÙÂÊ500m/s2£¨76оΪ200m/s2£©

Ö÷ÒªÊÖÒÕÌØÕ÷:

18

Ö´Ðбê×¼
Q/Ag1.076-2001¡¶JF6-31ÊèÉ¢µçÅþÁ¬Æ÷ÖÆÔìÓëÑéÊչ淶¡·
Q/Ag1.076.2-2005¡¶JF6-42ÊèÉ¢µçÅþÁ¬Æ÷Ïêϸ¹æ·¶¡·
Q/Ag1.076.1-97¡¶JF6-76¾ØÐÎÊèÉ¢µçÅþÁ¬Æ÷Ïêϸ¹æ·¶¡·

19

¢Ù ¾ØÐÎÊèÉ¢µçÅþÁ¬Æ÷
¢Ú Éè¼ÆÐòºÅ
¢Û Ë¢ÐÂÐÍ
¢Ü оÊý: 31¡¢42¡¢76
¢Ý µçÅþÁ¬Æ÷ÖÖ±ð: T-²åÍ·,Z-²å×ù
¢Þ ½Ó´¥¼þÖÖ±ð: J-²åÕë,K-²å¿×¡££¨31о±¾Ïî²»±ê×¢£©

ÐÎ×´¼°×°Öóߴç:

20

 

21

22

²Ù×÷ÒªÁì
×°ÖÃ:
a£© FT-75-JF6-31×°ÖÃʱ,ÓÃÂݶ¤½«²å×ù×°ÖÃÔÚµ¯ÌåÉÏ,ʹ²å×ùÉÏÓë²åÍ·¶Ô½ÓµÄÍâòÓ뵯ÌåÍâÍâòƽÆë£¨ÔÊÐíÉÔ°¼½øµ¯Ìå,µ«²»µÃ͹³ö£©¡£²åÍ·µÄÀο¿ÔòʹÓòåÍ·ÉϵÄËĸö´îÖù¡£²åÍ·Óë²å×ù²åºÏ,±ØÐèÓÐÍâÁ¦×÷ÓÃ,ÒÔ°ü¹Ü²åÍ·Óë²å×ùÔÚÇéÐÎÍâÁ¦×÷ÓÃϲ»»áËÉ¿ª¡£Àο¿²åÍ·µÄ²¿¼þ±ØÐèÄÜÓë²å×ùÒ»ÆðÒÆ¶¯Ò»¶¨µÄ¾àÀë,ÒÔ°ü¹ÜÊèÉ¢¹¦Ð§µÄʵÏÖ¡£
b£©FT-75-JF6-42/JF6-76×°ÖÃʱ,ÓÃM3µÄÂݶ¤½«²å×ù»ò²åÍ·»®·Ö×°Öõ½¸÷×ÔµÄ×°ÖÃÃæ°åÉÏ¡£²åÊÊʱ,ÏÈÈ·ÈϲåÍ·Óë²å×ùÉϵĺìÉ«±ê¼Ç³ÉÒ»ÌõÖ±Ïß,¶ÔÆë²åÍ·Óë²å×ùµÄ´ó¡¢Ð¡2¸öµ¼Öù¡¢µ¼Ì×£¬È»ºóÔÙÓÃÁ¦½«²åÍ·Ö±ÍÆÈë²å×ù,²¢°ü¹ÜÍêÈ«²åºÏµ½Î»¡£²åºÏµÄ²åÍ·Óë²å×ù,±ØÐèÓÐÍâÁ¦×÷ÓÃ,ÒÔ°ü¹Ü²åÍ·Óë²å×ùÔÚÇéÐÎÍâÁ¦×÷ÓÃϲ»»áËÉ¿ª¡£
ÊèÉ¢:
a£© FT-75-JF6-31ÊèÉ¢¹¦Ð§µÄʵÏÖ¡£µ¼µ¯È¼ÉÕºó,Ëæ×ŵ¯ÌåÏòÇ°ÒÆ¶¯,²åÍ·Óë²å×ùÒ²Ò»ÆðÏòÇ°ÒÆ¶¯,ÔÚÏòÇ°ÒÆ¶¯µÄͬʱ,ʹÓ÷¢ÉäͲÉÏÉè¼ÆºÃµÄШÐνṹ,½«²åÍ·Óë²å×ùÏ໥¼·¿ª,µÖ´ï×îºóÊèÉ¢¡£
b£© FT-75-JF6-42/JF6-76,ÔÚ²åÍ·µÄÖáÏòÊ©¼ÓËùÐèµÄ»úеÁ¦,Ö±½Ó¿É½«²åÍ·Óë²å×ùÍÑÀë¡£
3. FT-75-JF6-42/JF6-76º¸ÏßʱÐè²ðϵçÀÂÕÖ,º¸ºÃºó,ÔÙ½«µçÀÂÕÖ×°»Ø¿ÇÌå,Å¡½ôÂݶ¤,½«µ¼ÏßÓüÐÏß°å¼Ð½ôÀο¿¡£

ÐͺŹæ¸ñ
ÏÖÔÚÒÑÓйæ¸ñÆ·ÖÖÈçÏ£ºFT-75-JF6-31T¡¢FT-75-JF6-31Z¡¢FT-75-JF6A-31T¡¢FT-75-JF6A-31Z¡¢FT-75-JF6-42TJ¡¢FT-75-JF6-42ZK¡¢FT-75-JF6-76TJ¡¢FT-75-JF6-76ZK¡£

 

 

 

 

Important Notice

Performance figures, data and any illustrative material provided in this data sheet are typical and must be specifically confirmed in writing by F-tone Networks before they become applicable to any particular order or contract. In accordance with the F-tone Networks policy of continuous improvement specifications may change without notice.

The publication of information in this data sheet does not imply freedom from patent or other protective rights of F-tone Networks or others. Further details are available from any F-tone Networks sales representative.

Ììϲú»¯¹âÄ£¿é CFP2¹âÄ£¿é JYSK¹âÏËÅþÁ¬Æ÷ ˼¿Æ¹âÄ£¿é Marconi¹âÄ£¿é Test Equipment & Others ¹âÏË·¨À¼ÊÊÅäÆ÷
SFPÌìϲú¹âÄ£¿é CFP4¹âÄ£¿é J599IIIµçÅþÁ¬Æ÷ ˼¿ÆFE SFP ²©´ï¹âÄ£¿é ±£Æ«¹âÆ÷¼þ ¹âÏËÌøÏß&βÏË
1x9Ììϲú¹âÄ£¿é CFP8 400Gbps S6¾ØÐÎÅþÁ¬Æ÷ ˼¿ÆSFP+¹âÄ£¿é Íø¼þ¹âÄ£¿é In-line Depolarizer FTTAÀ­Ô¶»ùÕ¾¹âÏËÌøÏß
ÌØÖÖ¹âÄ£¿é CDFP 400Gbps S7¾ØÐÎÅþÁ¬Æ÷ ˼¿ÆXFP¹âÄ£¿é Nortel¹âÄ£¿é In-line Polarizer MPO/MTP¸ßÃܶÈϵÁÐ
25G~400G¸ßËÙ¹âÄ£¿é MicroQSFP¹âÄ£¿é GYM¹âÏËÅþÁ¬Æ÷ ˼¿ÆCFP¹âÄ£¿é Moxa¹âÄ£¿é IPBC/S ¾üÓÃÒ°Õ½·ÀË®¹âÏËÌøÏß
200km³¬³¤¾à¹âÄ£¿é DSFP¹âÄ£¿é J599III¹âÏËÅþÁ¬Æ÷ ˼¿ÆQSFP-DD ¹âÄ£¿é º£¿µÍþÊÓHIKVISION¹âÄ£¿é PBC/S ÌØÖÖ¹âÏ˹âÀÂ
5GÒÆ¶¯Í¨Ñ¶¹âÄ£¿é FT-61¹âÄ£¿é Ë®ÃܹâÀÂÅþÁ¬Æ÷ ˼¿ÆQSFP+¹âÄ£¿é McAfee¹âÄ£¿é PM BPF ÌØÖÖÏßÀÂ×é¼þ
SFP¹âÄ£¿é OLT¹âÄ£¿é ¹âÏËÅþÁ¬Æ÷ת½ÓÆ÷ ˼¿ÆGE SFP SMCÖǰî¹âÄ£¿é PM Circulator ͨÓùâÀ¹âÏËÌøÏß
1.25G SFP ONU¹âÄ£¿é FT-A4ϵÁÐÅþÁ¬Æ÷ ˼¿ÆSFP OC3 °²»ª¸ßAvago¹âÄ£¿é PM Collimator MXC? ¶àо¹âÀÂ×é¼þ
CWDM SFP PLCC¹âÄ£¿é USB¹âÏËÑÓÉìÏß Ë¼¿ÆSFP OC12 °²»ª¸ßAvago 1x9¹âÄ£¿é PM Coupler PRIZM? LIGHTTURN?×é¼þ
DWDM SFP RJ¹âÄ£¿é HDMI ˼¿ÆSFP OC48 °²»ª¸ßAvago SFF¹âÄ£¿é PM CWDM ¹âÏË»úÏä
BIDI-SFP SFF¹âÄ£¿é ÌØÖÖµçÅþÁ¬Æ÷ ˼¿ÆGBIC¹âÄ£¿é °²»ª¸ßAvago SFP¹âÄ£¿é PM DWDM SMA-ÌØÊâÏËоϵÁÐ
SGMII SFP SNAP12¹âÄ£¿é Ô²ÐÎÅþÁ¬Æ÷ ˼¿ÆX2¹âÄ£¿é °²»ª¸ßAvago QSFP28 ¹âÄ£¿é PM Faraday mirror ÌØÊâÌÖÂÛϵÁÐ
Video SFP¹âÄ£¿é USOT¹âÄ£¿é ¾ØÐεçÅþÁ¬Æ÷ ˼¿ÆXENPAK¹âÄ£¿é °²»ª¸ßAvago QSFP+¹âÄ£¿é PM Fiber mirror îø×°ÏµÁÐ
Copper SFP X2¹âÄ£¿é ÌØÖÖ¹âÏ˹âÀ »ªÈý¹âÄ£¿é °²»ª¸ßAvago SNAP12¹âÄ£¿é PM Filter Coupler ¹âñîºÏÆ÷Coupler
µÍ¹¦ºÄSFP Xenpak¹âÄ£¿é ÌØÖÖ¹âÏË »ªÈýSFP °²»ª¸ßAvago ÆäËû¹âÄ£¿é PM Fused Coupler ƤÏËÌøÏßϵÁÐ
SFP+¹âÄ£¿é ¹âµç±àÂëÆ÷Ä£¿é ¹âÏËÆ÷¼þ »ªÈýSFP+ °²»ª¸ß Embedded¹âÄ£¿é PM FWDM ´óоÊýϵÁÐ
CWDM SFP+ ¹âÄ£¿é²âÊÔ°å ÌØÖÖ¹âÀ¼°¹âÀÂ×é¼þ »ªÈýSFP28 ¹âÄ£¿é °²»ª¸ßFiber Optics¹âÄ£¿é PM Isolator »ØÂ·ÌøÏßϵÁÐ
DWDM SFP+ ¹âÄ£¿éÁý×Ó×ù×Ó ¹âź »ªÈýQSFP+¹âÄ£¿é Industrial Transmitters and Receivers PM Isolator WDM ±£Æ«¹âÏËϵÁÐ
BIDI SFP+ DAC ¸ßËÙÏßÀ ±ê×¼¹âñî »ªÈýQSFP28 ¹âÄ£¿é Optical Transceivers PM PLC ¹âͨѶ×é¼þ
Tunable SFP+ ¹âÏË»¬»·|¹âµç»¬»· SMA²âÊÔÏßÀ »ªÈý CFP¹âÄ£¿é ·Éͨ¹âÄ£¿é PM Tap Isolator ¹â¸ôÀëÆ÷isolator
16GFC SFP+ ¹âÀ³µ OSA »ªÈý CXP¹âÄ£¿é Finisar¹âÄ£¿é PM Tap Isolator WDM ÆäËü¹âÆ÷¼þ
25GE SFP+ ¾üÆ·¼¶DIN¹âÄ£¿é PON BOSA »ªÈý CX4¸ßËÙµçÀ ·ÆÄáÈøFinisar SFF¹âÄ£¿é PM VOA ¿Éµ÷Â˲¨Æ÷
32GFC SFP+ ËÜÁϹâÏËÄ£¿é Pigtailed PD »ªÈýXFP yellobrik SDI¹âÄ£¿é ÆäËü±£Æ«Æ÷¼þ ¿Éµ÷Ë¥¼õÆ÷
SFP28¹âÄ£¿é Ìæ»»°²»ª¸ß¹¤ÒµµçÁ¦¹âÄ£¿é RFoG BOSA »ªÈýGE SFP ÂÞ¿ËΤ¶ûAB¹âÄ£¿é ¹â·Ö·Æ÷ À­×¶ñîºÏÆ÷
SFP56¹âÄ£¿é ¼æÈݹú²ú»¯Ìæ»»°²»ª¸ß¹âñî TO-CAN »ªÈýFE SFP Â޽ܿµ¹âÄ£¿é FBTÀ­×¶·Ö·Æ÷ ÎÞÔ´¹âÆ÷¼þ
SFP-DD¹âÄ£¿é É䯵¹âÄ£¿é ¹âÏËζȴ«¸ÐÆ÷ »ªÈýSFP STM-4 ÑлªAdvantech¹âÄ£¿é PLC ¹â·Ö·Æ÷ ·¨À­µÚÐýת¾µ
QSFP¹âÄ£¿é ΢ÐͶà·¹âÄ£¿é ¹âÏËÓ¦±ä´«¸ÐÆ÷ »ªÈýSFP STM-16 Ììϲú»¯¹âÆ÷¼þ PLCÆ½Ãæ²¨µ¼¹â·Ö·Æ÷ ²¨·Ö¸´ÓÃÆ÷
QSFP+ ¹âÄ£¿é ÌØÖÖ¹âÄ£¿é ¹âÏ˼ÓËÙÂÊ´«¸ÐÆ÷ »ªÈýGBIC¹âÄ£¿é FT-XSϵÁР¹ú²ú»¯°ëµ¼Ìå¹â·Å´óÆ÷ ¹â¿ª¹Ø AWG DWDM²¨·Ö¸´ÓÃÆ÷
QSFP28¹âÄ£¿é HPC²¢ÐйâÄ£¿é ¹âÏßѹÁ¦´«¸ÐÆ÷ »ªÈýBIDI¹âÄ£¿é ¹âÏËÕóÁÐϵÁР̽²âÆ÷ Fused WDM²¨·Ö¸´ÓÃÆ÷
QSFP56¹âÄ£¿é LC-RJ³¬Ð¡Ð͵¥Â·¹âÄ£¿é ¹âÏËÎ»ÒÆ´«¸ÐÆ÷ »ªÈýXENPAK¹âÄ£¿é ¸ßËÙÄ£¿é΢ÅþÁ¬ ¹â¹¦ÂÊ¼Æ FWDM²¨·Ö¸´ÓÃÆ÷
QSFP112 400G¹âÄ£¿é LCC48¹âÄ£¿é ¹âÏËÓ¦Á¦´«¸ÐÆ÷ »ªÈýEPON OLT SFP Ïà¹ØÍ¨Ñ¶¹âÅþÁ¬ È«¹âÏËÏàλÀ­ÉìÆ÷ Mini΢ÐÍ´Ö²¨·Ö¸´ÓÃÆ÷
QSFP224¹âÄ£¿é LC³¬¶ÌÐ͹âÄ£¿é ¹âÏË´«¸ÐÆÊÎöÒÇ Öк½¹âµç¹âÄ£¿é ¹è¹â×ÓÆ÷¼þ¹âÁ´½Ó ¹âÏË×¼Ö±Æ÷ ¹â·Ö²å¸´ÓÃÆ÷
QSFP-DD¹âÄ£¿é SNAP12¹âÄ£¿é ¹âÏËÂþÑÜʽ²âÎÂÖ÷»ú ÖÐÐ˹âÄ£¿é Bio-Medical Equipment ¹âË¥¼õÆ÷ϵÁÐ ÆäËüÖÖÀನ·Ö¸´ÓÃÆ÷²úƷϵÁÐ
QSFP-DD800¹âÄ£¿é ΢Ð͹âÄ£¿é ¹âÏ˲¼ÀïÔ¨ÐźŽâµ÷ÒÇ Èñ½Ý¹âÄ£¿é Components for Fiber Laser ¹âÆ«Õñ¿ØÖÆÆ÷ ÷缯²¨·Ö¸´ÓÃÆ÷
OSFP 400Gbps ΢ÐͿɲå°ÎBGA¹âÄ£¿é ÂþÑÜʽ¹âÏËÉùÕñÐźŽâµ÷ÒÇ »ÝÆÕ¹âÄ£¿é Components for Fiber sensing ¹âÔ´ ´Ö²¨·Ö¸´ÓÃÆ÷
OSFP 800G¹âÄ£¿é ±íÌùʽµ¥Â·¹âÄ£¿é Camera Link ÉñÖÝÊýÂë¹âÄ£¿é Components for Optical Network ¹â»·ÐÐÆ÷Circulator WDMÄ£¿é
OSFP 1.6T¹âÄ£¿é ÌØÖÖ¹âÏËÅþÁ¬Æ÷ ¹âÄ£¿é֪ʶ Juniper¹âÄ£¿é EDFA¹âÏË·Å´óÆ÷ ¹âÏËÑÓ³ÙÏß Â˲¨Æ÷
HSFP 1.6T~12.8T¹âÄ£¿é J599¹âÏ˲åÍ·²å×ù »ªÎª¹âÄ£¿é Extreme¹âÄ£¿é ¹âÏË´«¸ÐÆ÷ ɫɢÅ⳥ģ¿é µûÐμ¤¹âÆ÷
XFP¹âÄ£¿é ODC¹âÏËÅþÁ¬Æ÷ϵÁÐ »ªÎªGE SFP Brocade¹âÄ£¿é High power Component ¹âÏË·Å´óÆ÷ ¹âñîºÏÆ÷&·Ö·Æ÷
CWDM XFP ÆäËûÌØÖÖ¹âÏËÅþÁ¬Æ÷ »ªÎªQSFP+¹âÄ£¿é D-Link¹âÄ£¿é HP In-line Polarizer ÎÞÔ´´«Êäת»»Æ÷ ¹âÏË»·ÐÎÆ÷&·¨À­µÚÐýת¾µ
DWDM XFP Ò°Õ½¹âÏËÅþÁ¬Æ÷ »ªÎªSFP+ ºÕ˼Âü¹âÄ£¿é HP Isolator ¹âÏ˼¤¹âÆ÷ ¹âÏ˸ôÀëÆ÷&²¨·Ö¸´ÓÃÆ÷
BIDI XFP ÌØÖÖ¹âµçÅþÁ¬Æ÷ »ªÎªQSFP28 °¢¶û¿¨ÌØÀÊѶ¹âÄ£¿é HP PBC/S ¹âµ÷ÖÆÆ÷ ¹âÏË·ÖÊøÆ÷&ºÏÊøÆ÷£¨PBS/PBC£©
1x9¹âÄ£¿é J599IIIÆéá«Æµ»ì×°ÅþÁ¬Æ÷ »ªÎªFE SFP Allied Telesis¹âÄ£¿é Pump Combiner ¹âµç̽²âÆ÷ ¹âÏ˹âÕ¤
CSFP¹âÄ£¿é NGC¹âÏËÅþÁ¬Æ÷ »ªÎªXFP Foundry¹âÄ£¿é HP Circulator ¹âÏËÆ«Õñ ¸ßËÙÏßÀÂ
CSFP+10G¹âÄ£¿é J599A6¹âÏËÅþÁ¬Æ÷ »ªÎªSFP OC12 Force10¹âÄ£¿é Pump laser protector ¹âÏËÂ˲¨Æ÷
CXP¹âÄ£¿é GYMB¹âÏËÅþÁ¬Æ÷ »ªÎªGBIC¹âÄ£¿é Blade¹âÄ£¿é Hybrid for EDFA ͬÖἤ¹âÆ÷
CFP¹âÄ£¿é J599III¹âµçÅþÁ¬Æ÷ »ªÎªSFP STM16 Linksys¹âÄ£¿é Test Equipment & Others ͬÖáµçÀÂ

028-85255257 | sales@f-tone.com

±ê׼ЭÒé¹âÄ£¿é²úÆ·

¼æÈÝЭÒé¹âÄ£¿é

ÆäËüÖÖÀà¹âÆ÷¼þ

ÊÖÒÕÖ§³Ö

ÍøÕ¾µØÍ¼