
JYSKÅþÁ¬Æ÷
²ú Æ· ÐÍ ºÅ£ºJYSK2M12N05Z
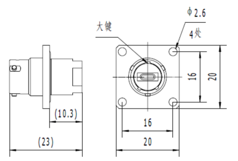
1¡¢ÅþÁ¬Æ÷ÐÎ×´¼°³ß´ç

2¡¢×°Öóߴç

3¡¢ÐÔÄÜÖ¸±ê

×¢£º±¾²úÆ·ÓÐÌìϲú»¯ÐͺſÉÑ¡
Important Notice
Performance figures, data and any illustrative material provided in this data sheet are typical and must be specifically confirmed in writing by F-tone Networks before they become applicable to any particular order or contract. In accordance with the F-tone Networks policy of continuous improvement specifications may change without notice.
The publication of information in this data sheet does not imply freedom from patent or other protective rights of F-tone Networks or others. Further details are available from any F-tone Networks sales representative.