
Ultra Compact 12CH CWDM
1¡¢ Product Code²úÆ·ÁϺÅ
|
Item Number |
Customer Part Number |
Future-Optics Part Number |
Description |
|
1 |
NA |
FT-AJ-UC-CWDM-12-1271-0.3m-LC |
Ultra Compact 12CH CWDM£¬G657A2, 900um loose tube,0.3m,LC/UPC |
2¡¢Specification
2.1¡¢Ultra Compact 18CH CWDM-DEMUX:
|
Parameters |
Unit |
Specification |
Note |
|
Channel Number |
NA |
12 |
|
|
Operating Wavelength |
nm |
1260~1650 |
|
|
Channel Spacing |
nm |
20 |
|
|
Add/Drop Wavelength£¨Channel£© |
nm |
1271¡¢1291¡¢1311¡¢1331¡¢1431¡¢1451¡¢1471¡¢1491¡¢1511¡¢1531¡¢1551¡¢1571 |
|
|
Channel Passband |
nm |
lc ± 6.5 |
|
|
Ripple over Pass Band |
dB |
≤0.5 |
|
|
Channel IL |
|
≤1.6 |
|
|
Adjacent Channel Isolation |
dB |
≥35 |
|
|
Non-Adjacent Channel Isolation |
dB |
≥40 |
|
|
Wavelength Thermal Stability |
nm/¡æ |
≤0.002 |
|
|
Polarization Dependent Loss |
dB |
≤0.20 |
|
|
Polarization Mode Dispersion |
dB |
≤0.20 |
|
|
Directivity |
dB |
≥50 |
|
|
Return Loss |
dB |
≥45 |
|
|
Power Handling |
mW |
300 |
|
|
TDL |
dB |
≤0.5 |
|
|
PARAMETER |
SPECIFICATION |
UNITS |
NOTE |
|
Operation Temperature |
-40~ +85 |
°C |
|
|
Operation Humidity |
5 to 90%RH Not condensed |
%RH |
|
|
Storage Temperature |
-40 ~ +85 |
°C |
|
|
Storage Humidity |
0 to 95%RH Not condensed |
%RH |
|
|
Tensile strength |
>5 |
N |

|
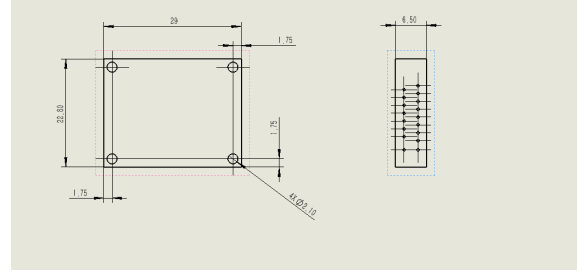
Package Dimension (mm) |
Max£º29X22.8X6.5 |
|
|
Fiber Type |
G657.A2,900um Loose tube |
|
|
250um Fiber length£¨m£© |
0.3+/-0.1 |
|
|
Connector Type |
LC/UPC |
|
|
Pigtail Color |
Nature |
|
3.RoHS appliance. GR-1209-Core, GR-1221-Core Generic Requirement and test standard.
×¢£º±¾²úÆ·ÓÐÌìϲú»¯ÐͺſÉÑ¡±¾
²úƷΪFT-AJϵÁв¨·Ö¸´ÓÃÆ÷£¬½öչʾ²¿·Ö²ÎÊý£¬ÈôÓÐÐèÒª£¬ÇëÁªÏµ大宝娱乐¡£
Important Notice
Performance figures, data and any illustrative material provided in this data sheet are typical and must be specifically confirmed in writing by F-tone Networks before they become applicable to any particular order or contract. In accordance with the F-tone Networks policy of continuous improvement specifications may change without notice.
The publication of information in this data sheet does not imply freedom from patent or other protective rights of F-tone Networks or others. Further details are available from any F-tone Networks sales representative.