
Ultra low speed LVTTL 1310nm Single Mode Transceiver (20Km)
FEATURES
¡ñ Single +3.3V Power Supply
¡ñ LVTTL Input/Output Signal
¡ñ Industry Standard 1×9 Pin
¡ñ 1310nm FP Transmitter
¡ñ Duplex SC/FC/ST Connector
¡ñ DC~4Mbps Data Rate
¡ñ Operating Temperature
FTTR-13LE-20 : 0¡æ~+70¡æ
FTTR-13LE-20I :-40¡æ~+85¡æ
APPLICATIONS
¡ñ Low Rate Bus transmission
¡ñ Unbalanced Signal transparent transmission
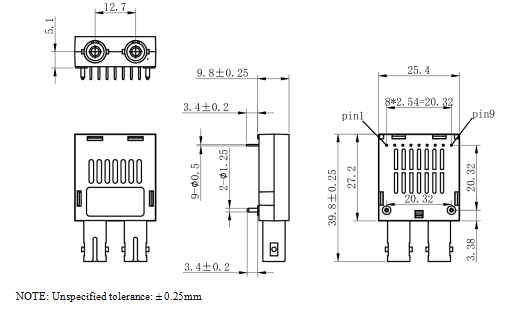
Mechanical Dimensions


Ordering Information
|
P/No. |
Package |
Bit Rate (Mb/s) |
Dist. (km) |
Wavelength (nm) |
Volt. (V) |
TX Power (dBm) |
RX Sens (dBm) |
Temp. (¡æ) |
|
FTTR-13LE-20 |
SC/FC/ST |
DC~4 |
20 |
1310 |
3.3 |
-12 to -5 |
-25 |
0 ~70 |
|
FTTR-13LE-20I |
SC/FC/ST |
DC~4 |
20 |
1310 |
3.3 |
-12 to -5 |
-25 |
-40 ~85 |
NOTE: Interface options:SC/FC/ST.
×¢£º±¾²úÆ·ÓÐÌìϲú»¯ÐͺſÉÑ¡
±¾²úƷΪ¹âÄ£¿é1x9ϵÁУ¬½öչʾ²¿·Ö²ÎÊý£¬ÈôÓÐÐèÒª£¬ÇëÁªÏµ大宝娱乐¡£
Important Notice
Performance figures, data and any illustrative material provided in this data sheet are typical and must be specifically confirmed in writing by F-tone Networks before they become applicable to any particular order or contract. In accordance with the F-tone Networks policy of continuous improvement specifications may change without notice.
The publication of information in this data sheet does not imply freedom from patent or other protective rights of F-tone Networks or others. Further details are available from any F-tone Networks sales representative.