
XCA系列圆形电毗连器
产品简介
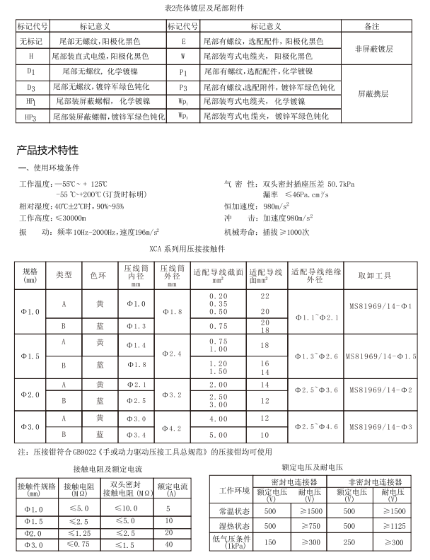
XCA系列电毗连器切合CJB2889标准,其毗连方法为卡口式快速毗连和疏散,可与KC系列产品交流,操作利便,毗连牢靠,抗振耐冲。壳体质料为高强度铝台金,接触件有焊接式和后松后卸压接式,接纳双曲面线簧插孔,具有插拔柔和、接触电阻小、防潮、防潮、防盐雾、防霉菌、防淋雨等特征,适用美标及海内细直径电线,尾部弯式电缆夹有防转、防积水功效。普遍应用于航空、航天、武器、舰船、野战通讯等军事领域以及邮电通讯、铁路、盘算机、和种种仪器、仪表的线路毗连。







本产品为FT-BH系列圆形电毗连器,若有需要,请联系大宝娱乐。
Important Notice
Performance figures, data and any illustrative material provided in this data sheet are typical and must be specifically confirmed in writing by F-tone Networks before they become applicable to any particular order or contract. In accordance with the F-tone Networks policy of continuous improvement specifications may change without notice.
The publication of information in this data sheet does not imply freedom from patent or other protective rights of F-tone Networks or others. Further details are available from any F-tone Networks sales representative.