
Y2Ô²ÐεçÅþÁ¬Æ÷
±¾ÏµÁвúƷϵÀÏʽ“P”Ð͵çÅþÁ¬Æ÷µÄ»»´ú²úÆ·¡£¾ßÓÐÌå»ýС¡¢ÖØÁ¿ÇᡢʹÓÃÀû±ã¡¢ÄͲå°Î¡¢µ¼µçÐÔÄܼѡ¢ÃÜ·âÐԺõÄÌØµã¡£ÆÕ±éÊÊÓÃÓÚÖÖÖÖµçÆ÷×°±¸¡¢ÒÇÆ÷¡¢ÒDZíÖ®¼äµÄÏß·ÅþÁ¬¡£
Ö÷ÒªÊÖÒÕÊÖÒÕ
ÇéÐÎÐÔÄÜ:
¡ñ ÊÂÇéζÈ: º¸½Óʽ -55¡æ~125¡æ¡¢Ñ¹½Óʽ-55¡æ~200¡æ
¡ñ Ïà¶ÔζÈ: 40¡æÊ±´ï95%
¡ñ ÊÂÇé¸ß¶È: º£°Î20000m
¡ñ Õñ¶¯: ƵÂÊ10Hz~2000Hz ¼ÓËÙÂÊ147m/s²
¡ñ ¹¥»÷: ¼ÓËÙÂÊ490/s²
¡ñ ºã¼ÓËÙÂÊ: 490m/s²
¡ñ ÆøÃÜÐÔ: ÄÍÆøÑ¹0.2MPa(½öÃÜ·âÐÔ²å×ù)
µçÆøÐÔÄÜ:

»úеÐÔÄÜ:
¡ñ ¿ÇÌå: ÂÁºÏ½ðÖýÔì¼þ
¡ñ ¶Æ²ã: ¶ÆÉ°Äø¡¢ÅçÆá
¡ñ ¾øÔµÌå: ÄÍÈÈÈÈËÜÐÔ»òÈȹÌÐÔ×ÓÁÏ
¡ñ ½Ó´¥¼þ: ͺϽðÖÊÁÏ ¶Æ²ã ½ð
¡ñ »úеÊÙÃü: 500´Î
¡ñ ±ê¼Ç¡¢´úºÅ¼°ÒâÒå

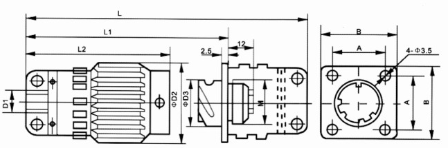
Y2Ô²ÐεçÅþÁ¬Æ÷ÐÎ×´×°Öóߴç


Y2½Ó´¥¼þÅÅÁÐͼ

Important Notice
Performance figures, data and any illustrative material provided in this data sheet are typical and must be specifically confirmed in writing by F-tone Networks before they become applicable to any particular order or contract. In accordance with the F-tone Networks policy of continuous improvement specifications may change without notice.
The publication of information in this data sheet does not imply freedom from patent or other protective rights of F-tone Networks or others. Further details are available from any F-tone Networks sales representative.