
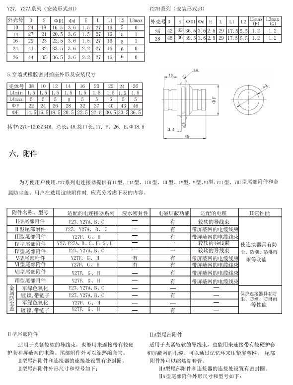
Y27ϵÁÐÔ²ÐεçÅþÁ¬Æ÷
大宝娱乐רҵÑб¬·¢²ú(Ììϲú»¯¿ÉÑ¡):Y27ϵÁÐÔ²ÐεçÅþÁ¬Æ÷,¾ßÓÐÓÅÖʵÄY27ϵÁÐÔ²ÐεçÅþÁ¬Æ÷Æ·ÖÊ,¸ÃϵÁеçÅþÁ¬Æ÷ÇкÏGJB2905-2004±ê×¼£¬ÊÊÓÃÓÚäĿ²åºÏ»òÆäËü²åºÏÇéÐΣ¬¾ßÓпìËÙÅþÁ¬ºÍÊèÉ¢¡¢¿¹°ÎÄͳ塢·ÀÑÎÎí¡¢·Àµç´Å×ÌÈŵÄÌØÕ÷£¬ÓзÀ³¾¡£·ÀÓê¼°ÆøÌåÃÜ·âµÈÆ·ÖÖ£¬ÆÕ±éÓ¦ÓÃÓÚº½¿Õ¡¢º½Ìì¡¢´¬²°¡¢Ò°Õ½¡¢¹«½»µçÁ¦¡¢Ìú·¡¢ÓʵçͨѶµÈÁìÓò¡£
²úÆ·ÊÖÒÕÌØÕ÷
ʹÓÃÇéÐÎÌõ¼þ
ÊÂÇéζȣº-55¡æ¡«+125¡æ
½þË®£º½þ×ÕÉî¶È2m£¨½öY27G¡¢Y27HϵÁУ©
ÕýÏÒÕñ¶¯£º10Hz~2000Hz£¬196m/s²
Ëæ»úÕñ¶¯£º¹¦ÂÊÆµÆ×ÃܶÈ0.4G²/HZ
¼ÓËÙÂʾù·½¸ùÖµ23.1 G
µç´Å×ÌÈÅÆÁÕÏ£º×ÌÈÅÆµÂÊΪ100MHz~1GHzʱ×îС˥¼õ´ï45dB
Íâ¿Ç¼äµçÒ»Á¬ÐÔ£ºÍ¡¢ÂÁÍâ¿ÇΪ0.010Ω£¬²åÍ·×ùÓÐÒ»¸öΪ²»Ðâ¸Ö»òÌúºÏ½ðÕßΪ0.05 Q
ÊÂÇéÆøÑ¹£º1.33Pa-101.33kPa
¹¥»÷£º¼ÓËÙÂÊ980m/s²
¼ÓËÙÂÊ£º980m/s²
Ïà¶Ôʪ¶È£º40¡æ±2¡æÊ±£¬92%~98%
ÆøÃÜÐÔ£º×ß©ÂÊ≤IPa.cm/s³
ÄÍÑÎÎí£ºY27¡¢Y27A¡¢B¡¢CϵÁУº48h£»Y27R G¡¢HϵÁУ»ÂÁºÏ½ð¿ÇÌå48h£»Ë®Ê¦»ÆÍ¡¢²»Ðâ¸Ö¿ÇÌå
»úеÊÙÃü£º²å°Î≥1000´Î









±¾²úƷΪFT-BHϵÁÐÔ²ÐεçÅþÁ¬Æ÷£¬ÈôÓÐÐèÒª£¬ÇëÁªÏµ大宝娱乐¡£
Important Notice
Performance figures, data and any illustrative material provided in this data sheet are typical and must be specifically confirmed in writing by F-tone Networks before they become applicable to any particular order or contract. In accordance with the F-tone Networks policy of continuous improvement specifications may change without notice.
The publication of information in this data sheet does not imply freedom from patent or other protective rights of F-tone Networks or others. Further details are available from any F-tone Networks sales representative.