
1060nm SOA °ëµ¼Ìå¹â·Å´óÆ÷¼þ
大宝娱乐1060nm²¨³¤µÄ°ëµ¼Ìå¹â·Å´óÆ÷£¨SOA£©Ð¾Æ¬ÏµÁÐרΪ¸ßÔöÒæ£¬¸ß¹¦ÂÊ£¬µÍÆ«ÕñºÍ¿íÆ×SOAÄ£¿é¶øÉè¼Æ¡£¿ÉÖª×ã¿Í»§¿ìËÙ¶©ÖÆÐèÇó£¬Í¬Ê±¾ß±¸½»ÆÚ¶Ì¹©»õ¿ì¡¢ÐԼ۱Ⱥᢿɿ¿ÐԸߵÈÓŵ㡣
²úÆ·ÌØÕ÷£º
¡ñ ¸ßÔöÒæ£¬µÍ¹¦ºÄ
¡ñ Ììϲú»¯²úÆ·£¬½»¸¶ÊµÊ±
¡ñ ¶¨ÖÆ»¯Ð§ÀÍ£º¿ÉÖ§³Ö±£Æ«¡¢¼¯³É¸ôÀëÆ÷¡¢¼¯³É PD ¹â¹¦ÂÊ¼à¿ØµÈ¸ü¸ß¼¯³É¶ÈµÄÆ÷¼þ¶©ÖÆ
²úÆ·Ó¦Óãº
¡ñ OCT Ò½ÁÆÓ¦ÓÃ
¡ñ ɨƵԴ£¬¿Éµ÷¼¤¹âÆ÷
²úÆ·¹æ¸ñ
µä·¶ÌØÕ÷
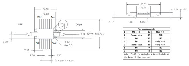
½á¹¹³ß´çºÍ¹Ü½Å½ç˵
¶©»õÐÅÏ¢

±¾²úƷΪFT-XSϵÁУ¬½öչʾ²¿·Ö²ÎÊý£¬ÈôÓÐÐèÒª£¬ÇëÁªÏµ大宝娱乐¡£
Important Notice
Performance figures, data and any illustrative material provided in this data sheet are typical and must be specifically confirmed in writing by F-tone Networks before they become applicable to any particular order or contract. In accordance with the F-tone Networks policy of continuous improvement specifications may change without notice.
The publication of information in this data sheet does not imply freedom from patent or other protective rights of F-tone Networks or others. Further details are available from any F-tone Networks sales representative.