
1310nm µûÐÎ SOA
大宝娱乐µÄ°ëµ¼Ìå¹â·Å´óÆ÷£¨SOA£©ÏµÁвúÆ·£¬Ö÷ÒªÓ¦ÓÃÓÚÖ÷ÒªÓ¦ÓÃÓÚ40G/100G 1310nm£¨4²¨LWDM/CWDM£©¹â·Å´ó¡£¸ÃϵÁвúÆ·½ÓÄÉÃÜ·âµÄÎÞ»ú·â×°ÊÖÒÕ£¬°ü¹ÜÁ˲úÆ·µÄ¿É¿¿ÐÔ¡£
²úÆ·ÌØÕ÷£º
¡ñ È«¹¤ÒÕ¹ú²ú£¬×ÔÖ÷¿É¿Ø
¡ñ µÍ¹¦ºÄ£¬µä·¶Çý¶¯µçÁ÷ 120mA£¬Öª×ã¸ßËÙ ROSA µÍ¹¦ºÄÐèÇó
¡ñ Ö§³Öζȼà²âºÍ TEC ÈÈµç¿ØÖÆ£¬È«Î¶ÈÊÂÇ鹿ģÎȹÌÔËÐÐ
¡ñ ¶¨ÖÆ»¯Ð§ÀÍ£º¿ÉÖ§³Ö±£Æ«¡¢¼¯³É¸ôÀëÆ÷¡¢¼¯³É PD ¹â¹¦ÂÊ¼à¿ØµÈ¸ü¸ß¼¯³É¶ÈµÄÆ÷¼þ¶©ÖÆ
²úÆ·Ó¦Óãº
¡ñ Êý¾ÝÖÐÐÄ»¥Áª£¬40G/100G ¹âÐźŷŴó
¡ñ »ã¾Û·ÖÁ÷£¬40G/100G¹âÐźŷŴó
²úÆ·¹æ¸ñ
µä·¶ÌØÕ÷
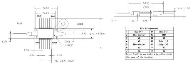
½á¹¹³ß´çºÍ¹Ü½Å½ç˵
¶©»õÐÅÏ¢

±¾²úƷΪFT-XSϵÁУ¬½öչʾ²¿·Ö²ÎÊý£¬ÈôÓÐÐèÒª£¬ÇëÁªÏµ大宝娱乐¡£
Important Notice
Performance figures, data and any illustrative material provided in this data sheet are typical and must be specifically confirmed in writing by F-tone Networks before they become applicable to any particular order or contract. In accordance with the F-tone Networks policy of continuous improvement specifications may change without notice.
The publication of information in this data sheet does not imply freedom from patent or other protective rights of F-tone Networks or others. Further details are available from any F-tone Networks sales representative.