
FT-49-GD45231R ÐÍ 10GHz ƽºâ¹âµç̽²âÆ÷
²úÆ·ÐÎò
FT-49-GD45231R ÊÇÒ»¿î¸ßËÙ¸ßѸËÙ¶ÈÆ½ºâ̽²â¹âµçÎüÊÕÄ£¿é£¬½ÓÄɵ¥Æ¬ InGaAs ƽºâ̽²âÆ÷оƬ²¢¼¯³ÉÄÚÆ«Öõç·£¬ÊÊÓÃÓÚ¶àÖÖÊý×ÖÐźÅÓ¦Óá£
²úÆ·ÌØµã
¡ñ InGaAs PD оƬµ¥Æ¬¼¯³É
¡ñ ¼¯³ÉÄÚÆ«Öõç·
¡ñ DC ñîºÏ
¡ñ ÆøÃÜÐÔ·â×°£¬SMA ÅþÁ¬Æ÷Êä³ö
Ó¦ÓÃ
¡ñ DPSK/ DQPSK ¹âͨѶϵͳ
¡ñ ¶àÆÕÀÕ¼¤¹âÀ×´ïÕÉÁ¿
¡ñ Ïà¹Ø¹âϵͳ
¡ñ ¸ßËÙ²âÊÔÕÉÁ¿
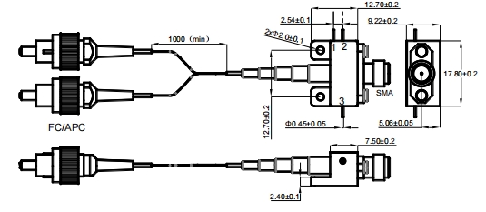
·â×°ÐÎ×´¡¢³ß´ç¼°Òý½Å½ç˵£¨µ¥Î»£ºmm£©
×¢£º±¾²úÆ·ÓÐÌìϲú»¯ÐͺſÉÑ¡
±¾²úƷΪFT-49ϵÁУ¬½öչʾ²¿·Ö²ÎÊý£¬ÈôÓÐÐèÒª£¬ÇëÁªÏµ大宝娱乐¡£
Important Notice
Performance figures, data and any illustrative material provided in this data sheet are typical and must be specifically confirmed in writing by F-tone Networks before they become applicable to any particular order or contract. In accordance with the F-tone Networks policy of continuous improvement specifications may change without notice.
The publication of information in this data sheet does not imply freedom from patent or other protective rights of F-tone Networks or others. Further details are available from any F-tone Networks sales representative.