
10Gbps MiniSFF CWDM Transceiver
FEATURES
¡ñ Surface mount I/O pins for high speed signal integrity
¡ñ All metal body, solder or screw mount options
¡ñ Industrial Temp range, vibration tolerant design
¡ñ Single 3.3V Power Supply
¡ñ Up to 10km links
¡ñ 2-Fiber MiniSFF LC Transceiver
¡ñ 1270¡«1610nm CWDM Cooled DML transmitter
¡ñ PIN photo-detector Receiver
¡ñ Operating case temperature:
FTMF-Cxx1X-10 : 0 ¡æto 70¡æ
FTMF-Cxx1X-10I : -40 ¡æto 85¡æ
APPLICATIONS
¡ñ CWDM optic fiber transmission system
Outline Specification
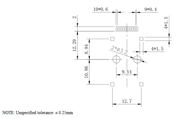
Recommended PCB Layout
Ordering Information
FTMF-Cxx1X-10 XX: 1270¡«1610nm CWDM Wavelength
|
P/No. |
Temp. (¡æ) |
Wavelength (nm) |
Dist. (km) |
TX Power (dBm) |
RX Sens (dBm) |
Package |
Bit Rate (Gb/s) |
Volt. (V) |
|
FTMF-C271X-10 |
0 ~70 |
1270 |
10 |
-3 to +2 |
-14.4 |
LC |
10 |
3.3 |
|
FTMF-C291X-10 |
0 ~70 |
1290 |
||||||
|
FTMF-C311X-10 |
0 ~70 |
1310 |
||||||
|
FTMF-C331X-10 |
0 ~70 |
1330 |
||||||
|
FTMF-C351X-10 |
0 ~70 |
1350 |
||||||
|
FTMF-C371X-10 |
0 ~70 |
1370 |
||||||
|
FTMF-C391X-10 |
0 ~70 |
1390 |
||||||
|
FTMF-C411X-10 |
0 ~70 |
1410 |
||||||
|
FTMF-C431X-10 |
0 ~70 |
1430 |
||||||
|
FTMF-C451X-10 |
0 ~70 |
1450 |
||||||
|
FTMF-C471X-10 |
0 ~70 |
1470 |
||||||
|
FTMF-C491X-10 |
0 ~70 |
1490 |
||||||
|
FTMF-C511X-10 |
0 ~70 |
1510 |
||||||
|
FTMF-C531X-10 |
0 ~70 |
1530 |
||||||
|
FTMF-C551X-10 |
0 ~70 |
1550 |
||||||
|
FTMF-C571X-10 |
0 ~70 |
1570 |
||||||
|
FTMF-C591X-10 |
0 ~70 |
1590 |
||||||
|
FTMF-C611X-10 |
0 ~70 |
1610 |
FTMF-Cxx1X-10I XX: 1270¡«1610nm CWDM Wavelength
|
P/No. |
Temp. (¡æ) |
Wavelength (nm) |
Dist. (km) |
TX Power (dBm) |
RX Sens (dBm) |
Package |
Bit Rate (Gb/s) |
Volt. (V) |
|
FTMF-C271X-10I |
-40~85 |
1270 |
10 |
-3 to +2 |
-14.4 |
LC |
10 |
3.3 |
|
FTMF-C291X-10I |
-40~85 |
1290 |
||||||
|
FTMF-C311X-10I |
-40~85 |
1310 |
||||||
|
FTMF-C331X-10I |
-40~85 |
1330 |
||||||
|
FTMF-C351X-10I |
-40~85 |
1350 |
||||||
|
FTMF-C371X-10I |
-40~85 |
1370 |
||||||
|
FTMF-C391X-10I |
-40~85 |
1390 |
||||||
|
FTMF-C411X-10I |
-40~85 |
1410 |
||||||
|
FTMF-C431X-10I |
-40~85 |
1430 |
||||||
|
FTMF-C451X-10I |
-40~85 |
1450 |
||||||
|
FTMF-C471X-10I |
-40~85 |
1470 |
||||||
|
FTMF-C491X-10I |
-40~85 |
1490 |
||||||
|
FTMF-C511X-10I |
-40~85 |
1510 |
||||||
|
FTMF-C531X-10I |
-40~85 |
1530 |
||||||
|
FTMF-C551X-10I |
-40~85 |
1550 |
||||||
|
FTMF-C571X-10I |
-40~85 |
1570 |
||||||
|
FTMF-C591X-10I |
-40~85 |
1590 |
||||||
|
FTMF-C611X-10I |
-40~85 |
1610 |
×¢£º±¾²úÆ·ÓÐÌìϲú»¯ÐͺſÉÑ¡
±¾²úƷΪFTMFϵÁУ¬½öչʾ²¿·Ö²ÎÊý£¬ÈôÓÐÐèÒª£¬ÇëÁªÏµ大宝娱乐¡£
Important Notice
Performance figures, data and any illustrative material provided in this data sheet are typical and must be specifically confirmed in writing by F-tone Networks before they become applicable to any particular order or contract. In accordance with the F-tone Networks policy of continuous improvement specifications may change without notice.
The publication of information in this data sheet does not imply freedom from patent or other protective rights of F-tone Networks or others. Further details are available from any F-tone Networks sales representative.