
2.5Gbps 1X9 Dual Optical SM Transmitter
FEATURES
¡ñ All metal body, screw mount options
¡ñ Distance up to 20 km
¡ñ 1550nm DFB Transmitter
¡ñ +3.3 V Power Supply
¡ñ 1×9 Package with ST connector
¡ñ Operating case temperature: -40¡æ~+85¡æ
APPLICATIONS
¡ñ Fibre Channel Links
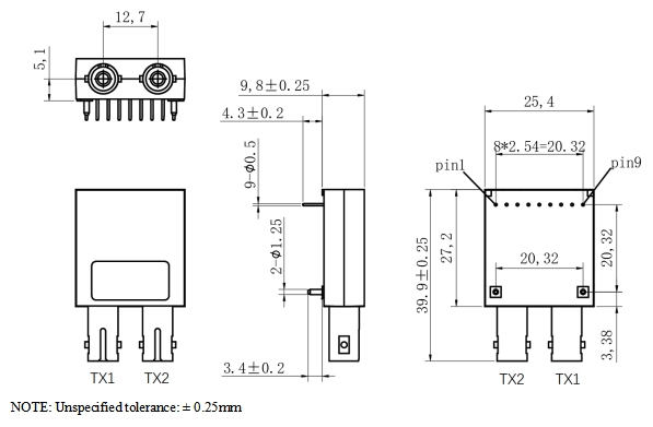
Mechanical Dimensions
Order Information
|
P/No. |
Package |
Bit Rate(Gb/s) |
Dist.(km) |
Wavelength(nm) |
Volt.(V) |
2TX Power(dBm) |
Temp.(¡æ) |
|
FTTR-2T1524-20I-DZ01 |
ST |
2.5 |
20 |
1550 |
3.3 |
-5~0 |
-40~85 |
×¢£º±¾²úÆ·ÓÐÌìϲú»¯ÐͺſÉÑ¡
±¾²úƷΪ¹âÄ£¿é1x9ϵÁУ¬½öչʾ²¿·Ö²ÎÊý£¬ÈôÓÐÐèÒª£¬ÇëÁªÏµ大宝娱乐¡£
Important Notice
Performance figures, data and any illustrative material provided in this data sheet are typical and must be specifically confirmed in writing by F-tone Networks before they become applicable to any particular order or contract. In accordance with the F-tone Networks policy of continuous improvement specifications may change without notice.
The publication of information in this data sheet does not imply freedom from patent or other protective rights of F-tone Networks or others. Further details are available from any F-tone Networks sales representative.