
¼æÈݰ²»ª¸ßHFBR-1415TZ£¨大宝娱乐FTBR-1415TZ£©
²úÆ·ÏÈÈÝ
FTBR-1415xx/2412xxϵÁйâÏËÊÕ·¢Æ÷¼þ£¬ÅäºÏ850nm¶àÄ£¹âÏËʹÓã¬Îª¹¤Òµ¡¢·¢µç¡¢Ò½ÁÆ¡¢½»Í¨ºÍÓÎÏ·Ó¦ÓõÈÁìÓòÌṩ¸ßÐÔÄܵͱ¾Ç®µÄ¹âÏËͨѶÁ´Â·£¬FTBR-1415xxÔÚ60mAµçÁ÷Çý¶¯Ï£¬´«Êä¾àÀë×îСΪ3000Ãס£
FTBR-1415xx/2412xxÓëAVAGOµÄHFBR-1415/2412ϵÁвúÆ·ÍêÈ«¼æÈÝ£¬Ö§³Ö¹¤Òµ±ê×¼µÄST¹âÏ˽ӿڣ¬Ìṩ´øÂÝÎÆ¿ÉÑ¡¡£FTBR-1415xx/2412xxÊÊÅä¶àÖÖÀà¹âÏËо¾¶µÄ¶àÄ£¹âÏË£¬°üÀ¨50/125μm£¬62.5/125μm£¬100/140μmºÍ200μm.
FTBR-1415xxΪ·¢ÉäÆ÷£¬ÓÉÒ»¿Å·åÖµ²¨³¤Îª850nmµÄ¸ß¹¦ÂÊLEDоƬ·â×°¶ø³É£¬ÅäºÏ62.5/125μmо¾¶µÄ850nm¶àÄ£¹âÏËÔÚ60mAµçÁ÷Çý¶¯ÏÂÊä³ö¹â¹¦Âʵ䷶ֵΪ-13.5dBm¡£FTBR-2412xxΪÎüÊÕÆ÷£¬ÓÉÒ»¿Å¼¯³É¹âµç¶þ¼«¹ÜµÄ¸ßÔöÒæ¿ç×è·Å´óÆ÷×é³É£¬Êä³ö¼¶Îª¿ªÂ©MOSFET½á¹¹£¬Ö§³Ö×î´óÊä³öµçѹΪ7V¡£ÎªÁËÌá¸ßÎüÊÕÆ÷Êä³öÂö¿íµÄÎȹÌÐÔ£¬ÎüÊÕоƬÉè¼ÆÁË×Ô¶¯Âö¿íУ׼µç·£¬Âö¿íÊ§ÕæÔÚ±20nsÒÔÄÚ¡£
²úÆ·ÌØµã
?Êý¾Ý´«ÊäËÙÂÊ£ºDC-5MBd
?´«Êä¾àÀë×îСֵ£º3000Ã×
?Êä³ö²¨ÐÎÂö¿íÎȹÌ
?Öª×㹤ҵ¼¶Î¶ȹæÄ££º-40¡æÖÁ 85¡æ
?ÇÐºÏ RoHS ±ê×¼
?ÊÊÅä¶àÖÖо¾¶¹âÏË
?STÌÖÂÛ´øÂÝÎÆ¿ÉÑ¡
²úÆ·Ó¦ÓÃ
?¹¤³§×Ô¶¯»¯
?¾ÖÓòÍøÂç
?ÒôÊÓÆµÓ¦ÓÃ/ÓÎÏ·Ó¦ÓÃ
?¹¤ÒµÍøÂçºÍÏÖ³¡×ÜÏß
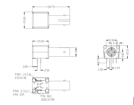
ST½Ó¿ÚÐÎ×´³ß´çͼ£¨FTBR-1415Z/2412Z£©

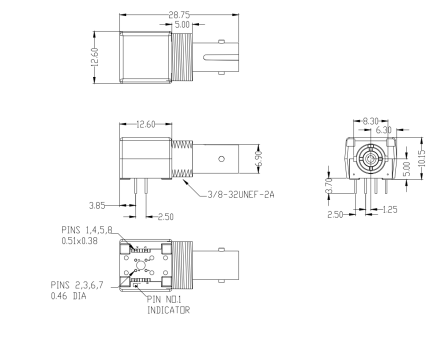
´øÂÝÎÆµÄST½Ó¿ÚÐÎ×´³ß´çͼ£¨FTBR-1415TZ/2412TZ£©

²úÆ·ÐͺÅÁбí
|
²úÆ·ÐͺŠ|
˵Ã÷ |
|
FTBR-1415Z |
·¢ÉäÆ÷¼þ£¬ST½Ó¿Ú |
|
FTBR-2412Z |
ÎüÊÕÆ÷¼þ£¬ST½Ó¿Ú |
|
FTBR-1415TZ |
·¢ÉäÆ÷¼þ£¬´øÂÝÎÆµÄST½Ó¿Ú |
|
FTBR-2412TZ |
ÎüÊÕÆ÷¼þ£¬´øÂÝÎÆµÄST½Ó¿Ú |
±¾²úƷΪFTBRϵÁУ¬½öչʾ²¿·Ö²ÎÊý£¬ÈôÓÐÐèÒª£¬ÇëÁªÏµ大宝娱乐¡£
Important Notice
Performance figures, data and any illustrative material provided in this data sheet are typical and must be specifically confirmed in writing by F-tone Networks before they become applicable to any particular order or contract. In accordance with the F-tone Networks policy of continuous improvement specifications may change without notice.
The publication of information in this data sheet does not imply freedom from patent or other protective rights of F-tone Networks or others. Further details are available from any F-tone Networks sales representative.