
Ultra low speed LVTTL 1X9 Single Mode BIDI Transceiver 10Km
FEATURES
● Single 3.3V Power Supply
● RoHS Compliant
● DC~4Mbps Data Rate
● Distance up to 10km
● LVTTL input and output
● 1×9 Package SC/FC/ST Connector
● Operating case temperature:
FTTR-B13LE-10 / FTTR-B15LE-10 : 0℃~+70℃
FTTR-B13LE-10I / FTTR-B15LE-10I : -40℃~+85℃
APPLICATIONS
● Low Rate Bus transmission
● Unbalanced Signal transparent transmission
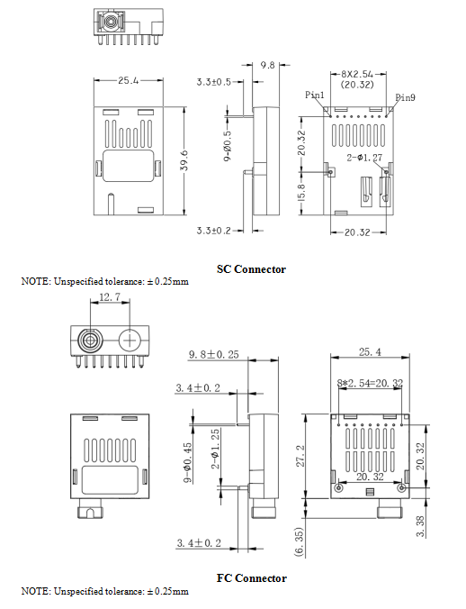
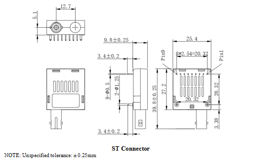
Mechanical Dimensions

Ordering Information
|
P/No. |
Package |
Wavelength (nm) |
TX Power (dBm) |
RX Sens (dBm) |
Bit Rate (Mb/s) |
Dist. (km) |
Volt. (V) |
Temp. (℃) |
|
FTTR-B13LE-10 |
SC/FC/ST |
TX1310FP/RX1550 |
-12 to -5 |
-24 |
0~4 |
10 |
3.3 |
0~70 |
|
FTTR-B15LE-10 |
TX1550FP/RX1310 |
|||||||
|
FTTR-B13LE-10I |
SC/FC/ST |
TX1310FP/RX1550 |
-12 to -5 |
-24 |
0~4 |
10 |
3.3 |
-40 ~85 |
|
FTTR-B15LE-10I |
TX1550FP/RX1310 |
NOTE: Interface options:SC/FC/ST.
注:本产品有天下产化型号可选
本产品为光模块1x9系列,仅展示部分参数,若有需要,请联系大宝娱乐。
Important Notice
Performance figures, data and any illustrative material provided in this data sheet are typical and must be specifically confirmed in writing by F-tone Networks before they become applicable to any particular order or contract. In accordance with the F-tone Networks policy of continuous improvement specifications may change without notice.
The publication of information in this data sheet does not imply freedom from patent or other protective rights of F-tone Networks or others. Further details are available from any F-tone Networks sales representative.