
Y11ϵÁÐÔ²ÐÎÃÜ·âµçÅþÁ¬Æ÷
Y11ϵÁÐÔ²ÐÎÃÜ·âµçÅþÁ¬ÓþßÓпìµÝÅþÁ¬,¿ìËÙÊèÉ¢,Ìå»ýС,ÖØÁ¿ÇáÖ®ÌØµã,½ÓÄÉÄÚ¿¨¿ÚÊ½Ëø½ô·½·¨,½Ó´¥¼þ¶Ë½ÓΪº¸½Óʽ,¿ÇÌåÓÐÆÁÕÏʽºÍ·ÇÆÁÕÏʽ,ʹÓñã½Ý,ͨÓÃÐÔºÃ,¹¦Ð§¶àÑù,¹æ¸ñÆëÈ«¡£
Ö÷ÒªÊÖÒÕÐÔÄÜ
ÇéÐÎÐÔÄÜ:
¡ñ ÊÂÇéζÈ: ¡æ¡«+125¡æ
¡ñ Ïà¶ÔζÈ: 40¡æÊ±´ï95%
¡ñ ÊÂÇé¸ß¶È: º£°Î30000m
¡ñ Õñ¶¯: ƵÂÊ10Hz¡«2000Hz¡¢¼ÓËÙÂÊ196m/s²
¡ñ ¹¥»÷: ¼ÓËÙÂÊ490m/s²
¡ñ ·ÀÑÎÎí¡¢·ÀÁÜÓê¡¢·Àɳ³¾µÈÐÔÄÜÇкÏGJB101A-97ÒªÇó
¡ñ ÆøÃÜÐÔ: ÄÍѹ0.2MPa£¨¹à½ºÃÜ·âÐÔ²å×ù£©
µçÆøÐÔÄÜ:

Íâ¿Ç¼äµçÅþÁ¬ÐÔ≤200mΩ
ÆÁÕÏÍâ¿Ç¼äµçÅþÁ¬ÐÔ≤5mΩ
µç´Å×ÌÈÅ800MHzʱ£¬×îµÍË¥¼õ45dB
¶î¶¨µçѹ¡¢Ä͵çѹ¼°¾øÔµµç×裺

»úеÐÔÄÜ:
¡ñ ¿ÇÌå: ¸ßÇ¿¶ÈÂÁºÏ½ðÖÊÁÏ¡¢ÍºÏ½ðÖÊÁÏ
¡ñ ·ÇÆÁÕ϶Ʋã: Ñô¼«Ñõ»¯×ÅÉ«
¡ñ ÆÁÕ϶Ʋã: »¯Ñ§¶ÆÄø
¡ñ ¾øÔµÌå: ÄÍÈÈÈÈËÜÐÔ×ÓÁÏ
¡ñ ·âÏßÐÔºÍÃÜ·âȦ: ¹èÏð½ºÖÊÁÏ
¡ñ ½Ó´¥¼þ: ͺϽðÖÊÁÏ ¶Æ²ã ½ð
¡ñ »úеÊÙÃü: 500´Î
»úеÐÔÄÜ:
¡ñ ¿ÇÌå: ¸ßÇ¿¶ÈÂÁºÏ½ðÖýÔì¼þ
¡ñ ¶Æ²ã: Ñô¼«Ñõ»¯×ÅÉ«¡¢¶ÈÄø
¡ñ ¾øÔµÌå: ÄÍÈÈÈÈËÜÐÔ»òÈȹÌÐÔ×ÓÁÏ
¡ñ ½Ó´¥¼þ: ͺϽðÖÊÁÏ ¶Æ²ã½ð¡¢Òø
¡ñ »úеÊÙÃü: 500´Î
±ê¼Ç¡¢´úºÅ¼°ÒâÒå:

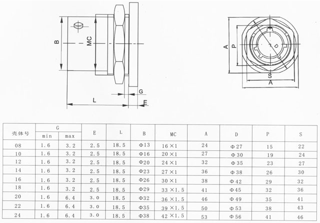
ÐÎ×´¼°×°Öóߴç:

·½Ðη¨À¼Å̲å×ù:

·½Ðη¨À¼ÅÌ´©²åʽ²å×ù:

½Ó´¥¼þ¿×λÅÅÁÐ:

Important Notice
Performance figures, data and any illustrative material provided in this data sheet are typical and must be specifically confirmed in writing by F-tone Networks before they become applicable to any particular order or contract. In accordance with the F-tone Networks policy of continuous improvement specifications may change without notice.
The publication of information in this data sheet does not imply freedom from patent or other protective rights of F-tone Networks or others. Further details are available from any F-tone Networks sales representative.