
1550nm ¸ß¹¦ÂʵûÐÎ SOA 25dB
大宝娱乐µÄ°ëµ¼Ìå¹â·Å´óÆ÷£¨SOA£©ÏµÁвúÆ·£¬Ö÷ÒªÓ¦ÓÃÓÚ1550nm²¨³¤µÄ¹â·Å´ó£¬ÄÜÏÔÖøÌá¸ßÊä³ö¹â¹¦ÂÊ¡£¸ÃϵÁвúÆ·½ÓÄÉÃÜ·âµÄÎÞ»úµûÐÎÆ÷¼þ·â×°ÊÖÒÕ¡£
²úÆ·ÌØÕ÷£º
¡ñ ¾ßÓиßÔöÒæ¡¢µÍ¹¦ºÄ¡¢µÍÆ«ÕñÏà¹ØÏûºÄ¡¢¸ßÊä³ö¹â¹¦ÂÊ£¨25dBm£©¡¢¸ßÏû¹â±ÈµÈÌØµã
¡ñ ¶¨ÖÆ»¯Ð§ÀÍ£º¿ÉÖ§³Ö±£Æ«¡¢¼¯³É¸ôÀëÆ÷¡¢¼¯³É PD ¹â¹¦ÂÊ¼à¿ØµÈ¸ü¸ß¼¯³É¶ÈµÄÆ÷¼þ¶©ÖÆ
¡ñ Ö§³Öζȼà²âºÍ TECÈÈµç¿ØÖÆ£¬È·±£È«Î¶ÈÊÂÇ鹿ģÎȹÌÔËÐÐ
²úÆ·Ó¦Óãº
¡ñ Ó¦ÓÃÓÚÂþÑÜʽ¹âÏË´«¸ÐϵͳÖУ¬Ìæ»»Éù¹âµ÷ÖÆÆ÷±¬·¢Âö³å¹â¡£
¡ñ Ó¦ÓÃÓÚ 1550nm ¹Ì̬¼¤¹âÀ×´ï»òµ÷ƵһÁ¬²¨¼¤¹âÀ×´ïÖУ¬ÓëÕÏß¿í¼¤¹â»úÁ¬Ïµ±¬·¢Âö³å¹â¡£
¡ñ Ó¦ÓÃÓÚ¿íÆ×¹âÔ´ÖУ¬Èç¹âÏ˹âÕ¤µÄ½âµ÷ÒǵĿíÆ×¹âÔ´
¡ñ Ó¦ÓÃÓÚ¹âͨѶϵͳÖУ¬ÊµÏÖ 1550²¨³¤¹âÐźŷŴó
²úÆ·¹æ¸ñ
µä·¶ÌØÕ÷
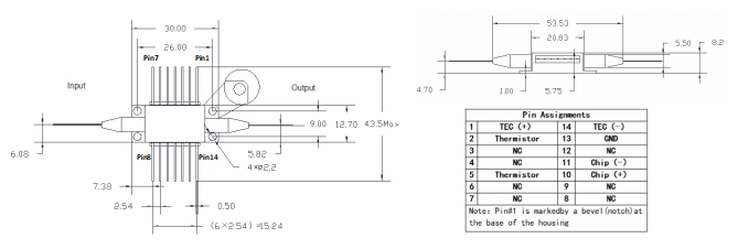
½á¹¹³ß´çºÍ¹Ü½Å½ç˵
¶©»õÐÅÏ¢

±¾²úƷΪFT-XSϵÁУ¬½öչʾ²¿·Ö²ÎÊý£¬ÈôÓÐÐèÒª£¬ÇëÁªÏµ大宝娱乐¡£
Important Notice
Performance figures, data and any illustrative material provided in this data sheet are typical and must be specifically confirmed in writing by F-tone Networks before they become applicable to any particular order or contract. In accordance with the F-tone Networks policy of continuous improvement specifications may change without notice.
The publication of information in this data sheet does not imply freedom from patent or other protective rights of F-tone Networks or others. Further details are available from any F-tone Networks sales representative.